Технологические расчеты при вытяжке и<br>построение технологического процесса
Содержание
- Степень деформации и коэффициенты вытяжки
- Технологические расчеты при вытяжке цилиндрических деталей без фланца
- Реверсивная вытяжка (с выворачиванием)
- Технологические расчеты при вытяжке цилиндрических деталей с широким фланцем
- Технологические расчеты при последовательной вытяжке в ленте
- Технологические расчеты при вытяжке низких прямоугольных коробчатых деталей
- Технологические расчеты при многооперационной вытяжке высоких квадратных и прямоугольных коробок
- Технология вытяжки деталей, являющихся телами вращения сложной формы
- Технология вытяжки с утонением cтенок (протяжка и комбинированная вытяжка)
- Технология вытяжки крупногабаритных деталей сложной формы
Степень деформации и коэффициенты вытяжки
В зависимости от соотношения высоты и диаметра вытягиваемой детали, а также от относительной толщины заготовки вытяжка может быть выполнена за одну или несколько операций. Необходимо, чтобы вытяжка была произведена за наименьшее количество операций, выполняемых с возможно большей степенью деформации (относительное уменьшение диаметра и увеличение глубины вытяжки), без применения промежуточного отжига1.
1Исключением является вытяжка сильно наклепывающихся сплавов, особенно тех, у которых процесс холодной деформации сопровождается структурно-фазовыми превращениями и требует применения промежуточного отжига.Степень деформации при вытяжке цилиндрических деталей может быть выражена одним из следующих показателей:
, где D - диаметр заготовки, мм;
d - диаметр детали, мм;
m - коэффициент вытяжки;
К - степень вытяжки - величина, обратная коэффициенту вытяжки.
Эти показатели находятся воднозначной зависимости между собой и дают правильную характеристику общей степени деформации лишь при непременном условии - полной перетяжке фланца в боковую цилиндрическую поверхность детали. Их численные значения в зависимости от отношения D/d приведены на рис. 99.
Наиболее распространенным показателем степени деформации является коэффициент вытяжки m = d/D, однако его численное значение находится в общин (чем меньше m, тем больше степень деформации).
В табл. 44 представлена предельная степень деформации при вытяжке цилиндрических деталей за первую операцию.
| Показатель степени деформации | Степень деформации | |
| теоретическая | практическая | |
| m | 0,368 | 0,45 |
| K | 2,72 | 2,25 |
| Iп (D/d) | 1,0 | 0,8 |
Теоретическая величина наибольшей степени вытяжки К значительно превышает практически осуществимую степень вытяжки пластичных металлов. Это объясняется тем, что в первом случае не учтены реальные условия процесса вытяжки: напряжения, возникающие в начальной стадии, а также зависимость от степени анизотропии и относительной толщины заготовки.
Предельная деформация при первой вытяжке ограничена тремя основными причинами:
1)недостаточная пластичность металла обусловливает повышенное сопротивление плоского фланца деформированию, что приводит к увеличению растягивающих напряжений в опасном сечении и отрыву дна;
2)образование складок (гофров) в результате потери устойчивости фланца заготовки резко увеличивает сопротивление вытяжке и вызывает преждевременный обрыв заготовки;
наименее устойчивы и наиболее подвержены складкообразованию заготовки малой относительной толщины;
3)малая величина радиуса закругления вытяжных кромок матрицы вызывает, наряду с другими причинами, увеличение сопротивления втягиванию плоской заготовки в отверстие матрицы и приводит к
повышению растягивающих напряжений в опасном сечении.
![]() Рис. 99. Сопоставление различных показателей степени деформации при вытяжке |
Величина предельной деформации при первой вытяжке в значительной мере зависит также от степени анизотропии листового металла.
Каждой степени деформации соответствует определенная величина напряжения, возникающего в опасном сечении, ограничивающего возможность вытяжки и при известных условиях приводящего к образованию трещин и отрыву дна.
Условие прочности опасного сечения определяется зависимостью:
,где σmах - наибольшие растягивающие напряжения в опасном сечении;
σP - истинное сопротивление разрыву;
δB - равномерное относительное удлинение.
Поэтому наиболее правильным и точным способом определения допустимой степени деформации и количества операций вытяжки является способ, основанный на определении действительных напряжений, возникающих при вытяжке и использовании основных законов теории пластичности. Однако ввиду сложности этого способа практические подсчеты производят по экспериментально установленным коэффициентам вытяжки, которые характеризуют допустимую степень деформации.
Применяемые на практике коэффициенты вытяжки большей частью являются приближенными, так как не учитывают зависимости коэффициентов вытяжки от относительной толщины заготовки, показателя анизотропии R и упрочнения n, радиуса закругления вытяжных кромок матрицы, скорости вытяжки и т.п. Кроме того, необходимо соблюдать геометрическое подобие деталей и заготовок. Только при этом условии коэффициенты вытяжки будут выражать сопоставимые деформации.
Коэффициенты вытяжки деталей без фланца нельзя применять для расчета вытяжки деталей с широким фланцем и т.п. Обязательным условием является геометрическое подобие деформируемых заготовок, выражаемое отношением S/D. Разным значениям S/D соответствуют разные величины допустимой степени деформации и коэффициентов вытяжки, обусловливаемые различной устойчивостью фланца одних и тех же размеров при равной толщине материала.
Значения коэффициентов вытяжки в значительно большей степени зависят от относительной толщины заготовки, чем от влияния пластичности того или иного металла, так как для вытяжки применяются главным образом высокопластичные металлы с небольшим колебанием пластических свойств (за исключением некоторых специальных сплавов).
Технологические расчеты при вытяжке цилиндрических деталей без фланца
Технологические расчеты при вытяжке цилиндрических деталей состоят в определении допустимой степени деформации, нахождении требуемого количества последовательных операций вытяжки и подсчете пооперационных размеров деталей. Допустимая степень деформации находится по экспериментально установленным и практически проверенным коэффициентам вытяжки.
Коэффициенты вытяжки цилиндрических деталей без фланца выражаются отношениями: для первой вытяжки m1 = d1/D, для второй вытяжки m2 = d2/d1 для последующих вытяжек mn = dn/dn-1.
Установив правильную величину коэффициентов вытяжки по операциям, находят размеры последующих вытяжек:
а также количество операций вытяжки. Коэффициенты вытяжки должны быть разными для деталей различной геометрической формы (прежде всего, для цилиндрических деталей с фланцем и без фланца), а также для различной относительной толщины материала, от которой зависит большая или меньшая степень устойчивости фланца заготовки.
![]() Рис.100. Зависимость степени первой вытяжки от показателя анизотропии и относительной толщины заготовки |
В табл. 45 приведены проверенные многолетней практикой и вновь откорректированные оптимальные значения коэффициентов вытяжки цилиндрических деталей без фланца (при вытяжки с прижимом) в зависимости от относительной толщины заготовки для стали глубокой вытяжки (08, 10Г, 15Г), мягкой латуни и аналогичных нм сплавов. Меньшие значения коэффициентов вытяжки соответствуют повышенной величине показателя анизотропии (Rср ≈ 1,5/1,7 ) и большему радиусу закругления на первых операциях, а большие значения - меньшей величине показателя анизотропии (Rср ≈ 1,0/1,2 ). На рис. 100 представлена усредненная корреляция зависимости коэффициентов (степени) вытяжки цилиндрических деталей от показателя анизотропии Rср и относительной толщины стальных заготовок S/D [202].
Таблица 45. Коэффициенты вытяжки цилиндрических деталей без фланца.
| Коэффициенты вытяжки | Значения коэффициентов при относительной толщине заготовки (S/D) 100% | ||||
| 2,0 - 1,5 | 1,5 - 1,0 | 1,0 - 0,5 | 0,5 - 0,2 | 0,2 - 0,06 | |
| m1 | 0,46 - 0,50 | 0,50 - 0,53 | 0,53 - 0,56 | 0,56 - 0,58 | 0,58 - 0,60 |
| m2 | 0,70 - 0,72 | 0,72 - 0,74 | 0,74 - 0,76 | 0,76 - 0,78 | 0,78 - 0,80 |
| m3 | 0,72 - 0,74 | 0,74 - 0,76 | 0,76 - 0,78 | 0,78 - 0,80 | 0,80 - 0,82 |
| m4 | 0,74 - 0,76 | 0,76 - 0,78 | 0,78 - 0,80 | 0,80 - 0,82 | 0,82 - 0,84 |
На рис. 101 приведена видоизмененная зависимость коэффициентов первой вытяжки стальных цилиндрических деталей от показателя анизотропии и относительной толщины заготовки, соответствующая значениям: 1 - для (S/D)100 = 2,4; 2 - для (S/D)100 = 2,0; 3 - для (S/D)100 = 1,6; 4 - для (S/D)100 = 1,2; 5 - для (S/D)100 = 0,8; 6 - для (S/D)100 = 0,4.
![]() Рис.101. Зависимость коэффициента первой вытяжки от показателя анизотропии и относительной толщины заготовки |
Аппроксимируя представленные на рис. 101 функции m = f (Rср, S/D) как линейные, получаем семейство прямых, соответствующих разным значениям S/D. Они могут быть выражены общим уравнением:
Экспериментальные значения коэффициентов А и В в зависимости от отношения S/D приведены ниже:
| S/D | 0,024 | 0,020 | 0,016 | 0,012 | 0,008 | 0,004 |
| A | 0,56 | 0,057 | 0,574 | 0,58 | 0,60 | 0,62 |
| B | 0,06 | 0,058 | 0,056 | 0,05 | 0,05 | 0,04 |
Применяя указанную выше зависимость и значения коэффициентов А и В, получаем уточненную величину коэффициентов первой вытяжки m1 (табл. 46) с учетом показателя плоской анизотропии (Rср ).
Практика показывает, что для глубокой вытяжки наиболее пригодны стали с показателем плоской анизотропии Rcp = 1,2 / 1,7.
Приведенные в табл. 45 коэффициенты вытяжки m1 в целом соответствуют этим значениям.
Необходимо указать, что при выполнении проектных технологических расчетов «задаться» показателем анизотропии нельзя, так как эти показатели являются физической величиной, выявляемой лишь при испытании той или иной конкретной заготовки. Они обычно имеют разную величину даже в пределах одной партии металла той же марки.
По полученному при испытании показателю Rср можно уточнить предварительные технологические расчеты при внедрении процесса, а главное - судить о пригодности и штампуемости данной испытанной заготовки.
Рассматривая коэффициенты вытяжки, приведенные в табл. 45, необходимо указать, что при вытяжке менее пластичных металлов (стали 20-25, Ст2, СтЗ, декапированная сталь, наклепанные алюминий и латунь и т.п.) коэффициенты вытяжки следует брать на 1,5-2% больше, а при вытяжке более пластичных металлов (стали 05, 08кп, алюминий и др.) - на 1,5-2% меньше по сравнению со значениями, приведенными в табл. 45. В случае применения межоперационного отжига коэффициенты вытяжки на последующих операциях можно брать на 3-5% меньше.
Таблица 46. Значения коэффициентов первой вытяжки
| S/D | Коэффициенты вытяжки m1 при RСР | |||
| 1 | 1,5 | 1,7 | 2 | |
| 0,024 | 0,50 | 0,47 | 0,45 | 0,44 |
| 0,20 | 0,51 | 0,48 | 0,46 | 0,45 |
| 0,016 | 0,52 | 0,49 | 0,47 | 0,46 |
| 0,012 | 0,53 | 0,50 | 0,49 | 0,48 |
| 0,008 | 0,55 | 0,52 | 0,51 | 0,50 |
| 0,044 | 0,58 | 0,56 | 0,54 | 0,54 |
При вытяжке деталей из нержавеющей стали 1Х18Н9Т необходимо применять межоперационный отжиг.
При вытяжке на многопозиционных прессах рекомендуется некоторое смягчение коэффициентов вытяжки, что может привести к появлению лишнего перехода, но не отразится на производительности пресса.
В связи с наблюдающейся тенденцией постепенного улучшения металлургическими заводами качества листового проката приведенные в табл. 45 коэффициенты вытяжки могут быть в дальнейшем ужесточены.
Количество последующих операций вытяжки определяется принятыми коэффи-циентами и может быть найдено по формуле:
, где n - общее количество операций вытяжки;
dn - диаметр готовой детали, мм;
D - диаметр заготовки, мм;
m2 - коэффициент вытяжки на второй и последующих операциях.
При технологических расчетах процессов зачастую требуемые размеры изделия не совпадают с рассчитанными по коэффициентам. В этом случае необходимо выровнить деформации по операции, а коэффициенты вытяжки откорректировать в сторону увеличения.

Рис. 102. Деформации при многооперационной вытяжке
На рис. 102 приведено сопоставление логарифмических деформаций при вытяжке цилиндрических деталей за три операции. Этот рисунок наглядно поясняет физический смысл многооперационной вытяжки - введение в очаг деформации новых недеформированных участков заготовки.
В рассматриваемом примере степень деформации распределена по операциям не наилучшим образом - недостаточна степень вытяжки на первой операции и несколько завышена на последующих. Вследствие этого на третьей операции получено слишком большое утонение в опасном сечении (точка С3 ) - утонение металла здесь почти достигает величины деформации в радиальном направлении. Таким образом, удлинение материала на закруглении происходит за счет утонения материала. В то время как утонение материала в опасных сечениях резко возрастает, утолщение края вытяжки увеличивается незначительно.
Перемещение точек F указывает на увеличение длины образующей (удлинение в радиально-осевом направлении), в рассматриваемом примере равное 5,5 мм, что значительно меньше увеличения высоты вытяжки, составляющего 31 мм.
Последующие операции вытяжки в случае относительно малой толщины материала (S/d1 < 2) производятся с прижимом, а при относительно большой толщине (S/d1 > 2) - без прижима заготовки.
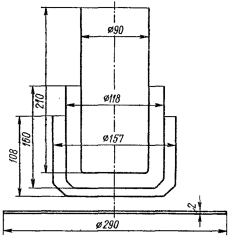
Пример. Рассчитать количество операций и размеры переходов для вытяжки цилиндрической детали наружным диаметром 92 мм и высотой 202 из стали 08 толщиной 2 мм.
![]() Рис.103. К расчету процесса вытяжки |
Расчетный диаметр по средней линии составляет 90 мм.
Находим припуск на обрезку по табл. 34. Для отношения h/d = 2,4 припуск равен 8 мм. Таким образом, высота детали с припуском на обрезку составляет h = 210 мм.
Подсчитываем диаметр заготовки D по формуле (1) табл. 32; для d = 90 мм и h = 210 мм D = 290 мм.
Находим относительную толщину заготовки (S/D) 100 = 0,69.
По табл. 46 (третья колонка справа) находим коэффициенты вытяжки m1 = 0,54; m2 = 0,75; m3 = 0,77; m4 = 0,80.
Диаметры переходов по средней линии:
d1 = 0,54 x 290 = 157 мм; d2 = 0,75 x 157 = 118 мм; d3 = 0,77 x 118 = 91 мм; берем d3 = 90 мм (задано);
тогда коэффициент последней вытяжки составит: m3 = 90/118 = 0,76, что по табл. 45 допустимо.
В тех случаях, когда последняя операция вытяжки получается недогруженной, необходимо выровнить степень деформации по операциям и откорректировать коэффициенты вытяжки в сторону некоторого их увеличения.
Для облегчения процесса вытяжки принимаем на первых двух операциях форму переходов со скосом у дна (рис. 103), а на последней операции - цилиндра с требуемым радиусом закругления.
По формуле (15) табл. 32 или по формулам табл. 49 подсчитываем пооперационную высоту вытягиваемых деталей: h1 = 108 мм; h2 = 160 мм; h3 = 210 мм.
Результаты полученных подсчетов являются исходными данными для проектирования штампов, а также для определения усилия вытяжки и выбора пресса.
Приведенные в табл. 45 коэффициенты первой вытяжки относятся к способу вытяжки с прижимом-складкодержателем.
![]() Рис.104. Образование складок при глубокой вытяжке |
Применение складкодержателя вызывается необходимостью предотвращения образования гофров, возникающих в результате потери устойчивости заготовки при глубокой вытяжке (рис. 104). Однако для процесса вытяжки прижим заготовки нежелателен, так как он значительно увеличивает вредное сопротивление трения, а следовательно, растягивающие напряжения в опасном сечении, и ухудшает условия вытяжки. Кроме того, складкодержатель усложняет конструкцию штампа и удорожает его.
Таким образом, необходимость применения прижима-складкодержателя зависит от потери устойчивости заготовки при вытяжке, которая, в свою очередь, зависит от степени деформации (коэффициента вытяжки), относительной толщины заготовки и геометрии вытяжной матрицы.
Приближенное условие потери устойчивости заготовки:
В ряде случаев вытяжка может быть произведена без прижима.
В табл. 47 приведены приближенные данные, характеризующие возможности применения вытяжки без складкодержателя.
Таблица 47. Пределы применения вытяжки с прижимом и без прижима заготовки
| Способ вытяжки | Относительная толщина (S/D) 100% | Коэффициенты вытяжки | |
| m1 | m2 | ||
| Вытяжка с прижимом | 2 - 0,05 | 0,46 - 0,6 | 0,70 - 0,8 |
| Вытяжка без прижима | > 3 - 1,0 | 0,60 - 0,8 | 0,78 - 0,9 |
При вытяжке без прижима-складкодержателя применяют матрицы конической или криволинейной формы - по эвольвенте (рис. 105). В последнем случае достижима более высокая степень деформации и меньшая величина фестонов.

Рис. 105. Профиль матричного отверстия при вытяжке без прижима:
а - конический; б - криволинейный; в - криволинейный с закругленными рисками
В табл. 48 приведены предельно допустимые коэффициенты вытяжки без складкодержателя в матрице конической формы с углом 60° при различной относительной толщине заготовки и различном отношении d2/d1.
Таблица 48. Предельная (наименьшая) величина коэффициентов вытяжки без складкодержателя и штампе с конической матрицей
| Отношение | Коэффициенты при относительной толщине заготовки (S/D) 100 % | ||||
| 3,0 | 2,5 | 2,0 | 1,5 | 1,0 | |
| 0,6 | 0,50 | 0,52 | 0,54 | 0,56 | 0,58 |
| 0,7 | 0,58 | 0,60 | 0,62 | 0,64 | 0,66 |
| 0,8 | 0,66 | 0,68 | 0,70 | 0,72 | 0,75 |
На последующих операциях вытяжка без прижима применяется значительно чаще. Этому способствует повышенная жесткость и устойчивость заготовки цилиндрической формы, получившей упрочнение на первой операции вытяжки. Точные пределы вытяжки без прижима на последующих операциях еще не установлены.
Вытяжка без прижима нашла применение при изготовлении цилиндрических, конических и даже квадратных изделий без фланца из относительно толстого металла.
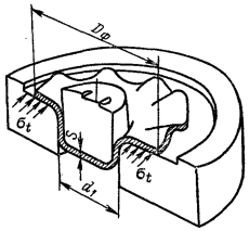
![]() Рис.106. Способ вытяжки с формующим коническим прижимом (по Платонову и Яницкому) |
Практически внедрен способ первой операции вытяжки в штампе с конической матрицей и таким же прижимом (рис. 106). В этом случае сначала прижим формует фланец заготовки, а затем вытяжной пуансон производит полную или частичную вытяжку. При этом способе снижаются усилие вытяжки и напряжения в опасном сеченииблагодаря чему за одну операцию возможно произвести вытяжку с коэффициентом m1 = 0,42 / 0,46 (вместо обычных 0,52 - 0,56 ). Угол β зависит от относительной толщины заготовки и коэффициента вытяжки.
Для повышения устойчивости относительно тонких материалов и уменьшения угла а рекомендуется применять кроме конического дополнительный кольцевой плоский прижим (по В.Селлину), предохраняющий от образования гофров по краю заготовки.
При технологических расчетах многооперационной вытяжки наряду с определением количества и последовательности операций требуется подсчитать высоту вытяжки на каждой операции. Эти данные необходимы для конструирования штампа, а также для определения величины рабочего хода и закрытой высоты пресса.
В табл. 49 приведены формулы для подсчета высоты цилиндрических деталей (глубина вытяжки) на каждой операции, основанные на принципе равенства площадей поверхности изделий и заготовки. Так как высота вытяжки зависит не только от диаметра заготовки и диаметра детали (коэффициента вытяжки), но также и от геометрической формы дна, то расчетные формулы установлены для деталей шести разных типов.
При выводе расчетных формул приняты следующие условия и допущения:
1) для цилиндра с плоским дном принято r = 0;
2) для цилиндра с закруглениями у дна радиусы их взяты равными: r1 = (d1 - d2)/2; r2 = (d2 - d3)/2 и т.д.;
3) для цилиндра со скосами у дна их катеты приняты равными: a1 = (d1 - d2)/2; a2 = (d2 - d3)/2; a = 450
(закругления у скосов не учитываем);
4) для цилиндра с широким фланцем радиусы закруглений у дна и фланца приняты одинаковыми;
5) для всех форм (кроме цилиндра с утоненными стенками) изменение толщины материала не учитывается, что в большинстве случаев несколько увеличивает фактическую высоту вытяжки против расчетной.
Высота вытяжки h должна включать необходимый припуск на обрезку неровного края; следовательно, диаметр заготовки D должен быть подсчитан с учетом припуска на обрезку.
Таблица 49. Формулы для подсчета пооперационной высоты
вытяжки деталей цилиндрической формы [120]
| Тип | Форма детали | Операция вытяжки | Формулы |
| 1 | Цилиндр с плоским дном малым радиусом закругления | 1-я | h1 = 0,25 (D/m1 - d1 ) |
| 2 - я | h2 = 0,25 (D/(m1 m2) - d2) | ||
| n - я | hn = 0,25 (D/(m1 m2...mn) - dn) | ||
| 2 | Цилиндр большим радиусом закругления | 1-я | h1 = 0,25 (D/m1 - d1) + 0,43r1/d1 x (d1 + 0,32r1) |
| 2 - я | h2 = 0,25 (D/(m1 m2) - d2) + 0,43r2/d2 x (d2 + 0,32r2) | ||
| n - я | hn = 0,25 (D/(m1 m2...mn) - dn) + 0,43rn/dn x (dn + 0,32rn) | ||
| 3 | Цилиндр со скосом у дна | 1-я | h1 = 0,25 (D/m1 - d1) + 0,57a1/d1 x (d1 + 0,86a1) |
| 2 - я | h2 = 0,25 (D/(m1 m2) - d2) + 0,57a2/d2 x (d2 + 0,86a2) | ||
| n - я | hn = 0,25 (D/(m1 m2...mn) - dn) + 0,57an/dn x (dn + 0,86an) | ||
| 4 | Цилиндр со сферическим дном | 1-я | h1 = 0,25D/m1 |
| 2 - я | h2 = 0,25D/(m1 m2) | ||
| n - я | hn = 0,25D/(m1 m2...mn) | ||
| 5 | Цилиндр с утонченными стенками | 1-я | h1 = 0,25 (D/m1 - d1)S/S1 + S |
| 2 - я | h2 = 0,25 (D/(m1 m2) - d2) S/S2 +S | ||
| n - я | hn = 0,25 (D/(m1 m2...mn) - dn)S/Sn + S | ||
| 6 | Цилиндр с широким фланцем | 1-я | h1 = 0,25(D/m1 - d2Ф/d1 + 3,44r1) |
| 2 - я | h2 = 0,25(D/( m1 m2) - d2Ф/d2 + 3,44r2) | ||
| n - я | hn = 0,25(D/(m1 m2...mn) - d2Ф/dn + 3,44rn) |
Обозначения: D - диаметр заготовки; d1 d2 ..., dn - пооперационные диаметры детали; а1, а2,..., аn - пооперационные размеры скосов; m1, m2, ..., mn - пооперационные коэффициенты вытяжки; S, S1, S2,..., Sn - толщина заготовки и пооперационные толщины стенок; dФ - диаметр фланца; r1, r2,..., rn - пооперационные радиусы закруглений.
При вытяжке деталей, не требующих большой точности размеров, подсчет производится по наружным размерам детали. В случае более точной вытяжки небольших деталей, учитывая утонение материала, подсчет производят по внутренним размерам; при вытяжке материала толщиной свыше 1 мм подсчеты производятся по средней линии толщины стенок.
Многооперационная вытяжка при r = 0 практически не применяется. Радиус закругления, близкий к нулю, получается только после операции калибровки. С некоторой погрешностью формулы, соответствующие типу 1 (табл. 49), можно применять для деталей с малым радиусом закругления у дна. При этом припуск на обрезку можно не учитывать, так как вследствие принятого допущения (r = 0 ) диаметр заготовки получается несколько увеличенным.
Ниже приведены табл. 50-52, позволяющие найти высоту первой вытяжки по заданным диаметру заготовки и коэффициенту вытяжки без каких-либо подсчетов по формулам.
Таблица 50. Высота цилиндрических деталей (мм) с малым радиусом (табл. 49, эскиз а)
| Диаметр заготовки, мм | Высота детали на первой операции при коэффициенте вытяжки | ||||||
| 0,45 | 0,48 | 0,50 | 0.53 | 0,55 | 0,58 | 0,60 | |
| 30 | 13 | 12 | 11 | 20 | 9,5 | 9 | - |
| 40 | 18 | 16 | 15 | 14 | 13 | 12 | - |
| 50 | 22 | 20 | 19 | 17 | 16 | 15 | - |
| 60 | 26 | 24 | 22 | 20 | 19 | 18 | - |
| 70 | 31 | 28 | 26 | 24 | 22 | 20 | 19 |
| 80 | 35 | 32 | 30 | 27 | 26 | 23 | 22 |
| 90 | 40 | 36 | 34 | 30 | 29 | 26 | 24 |
| 100 | 44 | 40 | 37 | 34 | 32 | 29 | 27 |
| 120 | - | 48 | 45 | 40 | 38 | 35 | 32 |
| 150 | - | 60 | 55 | 50 | 48 | 44 | 40 |
| 180 | - | 72 | 67 | 60 | 58 | 52 | 50 |
| 200 | - | 80 | 75 | 68 | 64 | 58 | 55 |
| Диаметр заготовки, мм | Высота детали h1 иа первой операции при коэффициенте вытяжки m1 | ||||||
| 0,45 | 0,48 | 0,50 | 0,53 | 0,55 | 0,59 | 0,60 | |
| 30 | 14 | 13 | 12 | 11 | 10 | 10 | - |
| 40 | 19 | 17 | 16 | 15 | 14 | 13 | - |
| 50 | 23 | 21 | 20 | 17 | 16 | 15 | - |
| 60 | 28 | 26 | 24 | 22 | 21 | 20 | - |
| 70 | 33 | 30 | 28 | 26 | 24 | 22 | 21 |
| 80 | 37 | 34 | 32 | 29 | 28 | 25 | 24 |
| 90 | 42 | 38 | 36 | 32 | 32 | 29 | 27 |
| 100 | 47 | 43 | 40 | 37 | 35 | 32 | 30 |
| 120 | - | 52 | 49 | 44 | 42 | 39 | 36 |
| 150 | - | 65 | 60 | 55 | 53 | 49 | 45 |
| 180 | - | 77 | 72 | 65 | 63 | 57 | 55 |
| 200 | - | 86 | 81 | 74 | 70 | 64 | 61 |
| Диаметр заготовки, мм | Высота детали на первой операции при коэффициенте вытяжки m1 | ||||||
| 0,48 | 0,50 | 0,53 | 0,55 | 0,58 | 0,60 | 0,62 | |
| 120 | 53 | 50 | 45 | 43 | 40 | 37 | - |
| 150 | 66 | 61 | 56 | 52 | 50 | 46 | - |
| 180 | 79 | 74 | 67 | 65 | 59 | 57 | - |
| 200 | 88 | 83 | 76 | 72 | 66 | 63 | 58 |
| 250 | 110 | 103 | 95 | 90 | 83 | 78 | 73 |
| 300 | 132 | 122 | 114 | 108 | 98 | 92 | 86 |
| 350 | 154 | 144 | 134 | 126 | 116 | 108 | 102 |
| 400 | 176 | 166 | 152 | 144 | 132 | 123 | 115 |
| 450 | 198 | 184 | 172 | 162 | 148 | 140 | 130 |
| 500 | 220 | 205 | 190 | 180 | 165 | 155 | 145 |
| 550 | 242 | 226 | 210 | 198 | 182 | 172 | 160 |
| 600 | 264 | 244 | 228 | 216 | 200 | 185 | 173 |
При пользовании приведенными выше формулами коэффициенты вытяжки должны соответствовать допустимым. Их следует выбирать в зависимости от относительной толщины заготовки по табл. 45.

Рис. 107. Вытяжка колпачков из квадратной заготовки
Следует предостеречь от применения многооперационной вытяжки высоких цилиндрических (трубчатых) деталей малого диаметра, которые более целесообразно изготовлять вытяжкой с утонением стенок, так как этот способ требует меньшего количества операций. В ряде случаев такие детали целесообразно изготовлять методом холодного выдавливания, при котором требуются одна-две операции.
В Польше разработан оригинальный способ вытяжки цилиндрических деталей из квадратной заготовки [198]. Этот способ компенсирует влияние анизотропии и потери металла на фестонообразование.
При вытяжке цилиндрических деталей из круглых заготовок, особенно в штампах без прижима, по краю изделий образуются так называемые «фестоны» u. Выступающая часть фестонов у стальных заготовок всегда расположена по направлению прокатки и перпендикулярно к ней. Под 45° к направлению прокатки расположены впадины (рис. 107, а ). У алюминия, алюминиевых и некоторых других сплавов расположение выступов и волн смещено на 45°.
На рис. 107, б показана вытянутая деталь из квадратной заготовки. Углы заготовки превратились в высокие уши. Вытяжка ушей, расположенных на месте впадин и полностью устраняющая их, способствует увеличению полезной высоты вытяжки hКВ ≈ (1,18 /1,2) h0 [198].
Таким образом, вытяжка из квадратной заготовки увеличивает полезную высоту колпачка примерно на 18-20%, что позволяет получить экономию металла в 12-13% против вытяжки из круглых заготовок. Операция обрезки кромок неизбежна при обоих способах вытяжки. Другой новинкой, введенной Я.Галииовским с целью технологического использования влияния анизотропии в процессе вытяжки, является применение матриц с переменной величиной радиуса вытяжных кромок [195] (рис. 108, а-в).

Рис. 108. Матрицы с переменным радиусом закругления (по Я. Галииовскому)
Меньший радиус дается в тех местах анизотропной заготовки, в которых требуется затормозить течение металла и увеличить высоту вытяжки и наоборот. Этим способом освоена малоотходная вытяжка из квадратных заготовок цилиндрических ламповых цоколей из стальной и латунной ленты толщиной 0,2 мм, производимая на 6-позициоином прессе. При вытяжке из квадратных заготовок достигнута экономия металла на 26% [196].
Аналогичный способ вытяжки цилиндрических деталей из квадратной заготовки, но со срезанными углами предложен В.Г. Кондратенко и Э.А. Назаряном. Этот способ основан на построении линий скольжения в углах квадратной заготовки и исследовании поля деформаций методом муаровых полос [59]. Однако эти исследования не связаны с анизотропией листового металла и не учитывают разного характера фигур плоской анизотропии для разных металлов (см, пятый раздел, гл. I).
![]() Рис.109. Процесс реверсивной вытяжки (с выворачиванием) |
Реверсивная вытяжка (с выворачиванием)
Реверсивная вытяжка представляет собой в большинстве случаев соединение двух операций вытяжки, выполняемых за один рабочий ход пресса, причем вторая вытяжка происходит в направлении, обратном первой, и сопровождается выворачиванием заготовки, При этом можно получить более высокую степень деформации. Этот способ применяется главным образам для вытяжки деталей крупных или средних размеров при относительной толщине заготовки (S/D) 100 > 0,25.
На рис. 109 показана последовательность вытяжки с выворачиванием (этапы а, б, в ) на прессе двойного действия крупной детали из стальной заготовки диаметром 9'65 мм и толщиной 2,5 мм.
Изменение толщины материала по высоте вытяжки достигает в опасных сечениях (точки А, В и С) -10%, а у края детали +30%.
Усилие вытяжки в данном случае составляет 200-250 тс. Усилие нижнего прижима-выталкивателя 70-100 тс. Скорость вытимки u = 100 мм/с.
На рис. 110 изображена схема штампа для реверсивной вытяжки на пресее двойного действия. Справа показаны последовательные стадии формоизменения заготовки (а - е).
Реверсивную вытяжку деталей средних размеров иногда производят одновременно с вырубкой кружка, для чего в конструкцию штампа вводится вырубная матрица, устанавливаемая над вытяжкой.
В ряде случаев реверсивная вытяжка применяется и для одной последующей операции вытяжки с целью увеличения растягивающих и уменьшения сжимающих напряжений. Это наиболее целесообразно при вытяжке деталей со сферическим и коническим дном, а также деталей параболической или криволинейной формы. Реверсивная вытяжка применяется также для изготовления двустенных полых деталей.

Рис. 110. Процесс реверсивной вытяжки (с выворачиванием)
Для реверсивной вытяжки требуется пресс в большой величиной хода (h2 > 2h1 рис.110).
Технологические расчеты при вытяжке цилиндрических деталей с широким фланцем
Технологические расчеты вытяжки цилиндрических деталей с фланцем имеют ряд отличительных особенностей. При вытяжке деталей с широким фланцем следует строго соблюдать основные правила:
1)в первую операцию вытягивается деталь с заданным по чертежу диаметром фланца (с прибавлением припуска на обрезку) при допустимых коэффициента) вытяжки;
2)в последующих операциях производится перераспределение металла вытя нутой цилиндрической части заготовки путем увеличения высоты и уменьшения диаметра вытяжки без деформирования фланца, полученного в первой операции,
и без изменения его диаметра (рис. 111, а ); это позволяет уменьшить очаг деформации и значительно снизить величину напряжений в опасном сечении;

Рис. 111. Последовательность вытяжки детали с широким фланцем (а) и вытянутая деталь (6)
3) в первой операции в матрицу должно быть втянуто столько металла, сколько требуется для образования окончательно вытянутой части изделия и металла, обратно посаженного на плоскость фланца в последующих операциях (находится подсчетом и графическим построением).
При вытяжке деталей с широким фланцем (рис. 111,б) обычный коэффициент первой вытяжки m = d/D не дает правильного представления об общей степени деформации, так как эта зависимость сохраняется при любой глубине вытяжки из заготовки диаметром D и может быть отнесена к любому промежуточному положению.
При одном и том же диаметре вытягиваемого изделия d и одном и том же диаметре заготовки D величина указанного коэффициента вытяжки одинакова как для детали с фланцем, так и без фланца, в то время как степень деформации при вытяжке детали с фланцем значительно меньше, чем у детали без фланца. Применять эти коэффициенты для расчета первой вытяжки деталей с фланцем не следует потому, что они действительны лишь при условии полной вытяжки фланца в цилиндрическую поверхность детали, что не осуществляется при вытяжке деталей с фланцем. В крайнем случае при их применении необходимо вводить соответствующие поправки.

Рис. 112. Зависимость относительной высоты вытяжки от относительного диаметра заготовки
На рис. 112 приведена зависимость наибольшей высоты вытяжки h от исходного диаметра заготовки D0 (при d = 50 мм; rM = 5 мм; S = 0,8 мм). На рисунке разграничены отдельные области: l - вытяжка цилиндрических деталей без фланца (линия А-В); ll - вытяжка деталей с широким фланцем (линия В-С), причем в точке С диаметр флаица равен DФ ≈ 250 мм; lll - вытяжка деталей с весьма большим фланцем без увеличения высоты вытяжки h.
В технологических расчетах вытяжки деталей с широким фланцем целесообразно пользоваться такими показателями или коэффициентами, которые полностью соответствовали бы осуществляемой степени деформации.
В качестве такого показателя автором предложен условный коэффициент первой вытяжки, представляющий собой отношение диаметра вытянутой части d к диаметру той заготовки, которая понадобилась бы для изготовления стакана диаметром d и высотой h.
В табл. 53 приведены предельно допустимые коэффициенты первой вытяжки m1 = d1 /D для цилиндрических деталей с фланцем, которые уменьшаются по мере увеличения размеров фланца. Постепенное уменьшение коэффициентов первой вытяжки является результатом увеличения размеров фланца и уменьшения отношения d/D.
Таблица 53. Наименьшие значения коэффициентов первой вытяжки
для цилиндрических деталей с фланцем (m1 = d1/D)
| Относительный диаметр фланца dФ/d | Значения коэффициентов m1 при относительной толщине заготовки (S/D) 100% | ||||
| 2,0 - 1,5 | 1,5 - 1,0 | 1,0 - 0,5 | 0,5 - 0,2 | 0,2 - 0.06 | |
| До 1,1 | 0,50 | 0,53 | 0,55 | 0,57 | 0,59 |
| 1,3 | 0,49 | 0,51 | 0,53 | 0,54 | 0,55 |
| 1,5 | 0,47 | 0,49 | 0,50 | 0,51 | 0,52 |
| 1,8 | 0,45 | 0,46 | 0,47 | 0,48 | 0,48 |
| 2,0 | 0,42 | 0,43 | 0,44 | 0,45 | 0,45 |
| 2,2 | 0,40 | 0,41 | 0,42 | 0,42 | 0,42 |
| 2,5 | 0,37 | 0,38 | 0,38 | 0,38 | 0,38 |
| 2,8 | 0,33 | 0,34 | 0,34 | 0,35 | 0,35 |
При первой вытяжке цилиндрических деталей с фланцем степень деформации может быть выражена также через наибольшую относительную глубину вытяжки h/D (табл. 54).
Таблица 54. Приближенные значения отиооительиой глубины первой вытяжки h/d
цилиндрических деталей с фланцем
| Относительный диаметр фланца dФ/d | Значения h/d при относительной толщине заготовки (S/D) 100% | ||||
| 2,0 - 1,6 | 1, 5 - 1,0 | 1,0 - 0,6 | 0,5 - 02 | 0,2 - 0,06 | |
| До 1,1 | 0,90-0,75 | 0,82-0,60 | 0,70-0,57 | 0,62-0,50 | 0,52-0,45 |
| 1,3 | 0,80-0,65 | 0,72-0,56 | 0,60-0,50 | 0,53-0,45 | 0,47-0,40 |
| 1,5 | 0,70-0,58 | 0,63-0,50 | 0,53-0,45 | 0,48-0,40 | 0,42-0,35 |
| 1,8 | 0,58-0,48 | 0,53-0,42 | 0,44-0,37 | 0,39-0,34 | 0,35-0,29 |
| 2,0 | 0,51-0,42 | 0,46-0,36 | 0,38-0,32 | 0,34-0,29 | 0,30-0,25 |
| 2,2 | 0,45-0,35 | 0,40-0,31 | 0,33-0,27 | 0,29-0,25 | 0,26-0,22 |
| 2,5 | 0,35-0,28 | 0,32-0,25 | 0,27-0,22 | 0,23-0,20 | 0,21-0,17 |
| 2,8 | 0,27-0,22 | 0,24-0,19 | 0,21-0,17 | 0,18-0,15 | 0,16-0,13 |
Примечание. Большие значения соответствуют увеличенным радиусам закруглений от r = (10/12)S для (S/D) 100 = 2/1,5 до r = (20/25)S для (S/D) 100 = (0,2/0,06). Меньшие значения соответствуют уменьшенным радиусам закруглений у дна и фланца r ≈ (4/80) S.
Если деталь с заданными отношениями dф/d, r/S и S/D имеет большую относительную глубину h/d, чем указано в табл. 54, то она не может быть вытянута за одну операцию. В этом случае необходимо производить первую вытяжку увеличенного диаметра при одновременном получении требуемого наружного диаметра фланца. Следовательно, вытяжка должна быть осуществлена при меньшем отношении dФ/d, причем относительная глубина вытяжки не должна превышать указанной в табл. 54 величины.
Дальнейшие операции вытяжки деталей в фланцем заключаются в перетяжке цилиндрической части в цилиндр меньшего диаметра без изменения наружного размера фланца. Следовательно, на последующий операциях вытяжка должна быть произведена на такую глубину, чтобы фланец, полученный в первую операцию, не вытягивался, а наружный размер его не уменьшался. Из этого условия определяется точная высота вытяжки и радиусы закруглений.
В большинстве случаев последующие операции вытяжки деталей с фланцем выполняются на штампах с пружинным прижимом или съемником. Последние благоприятствуют процессу вытяжки, так как создают заталкивающее действие на заготовку, уменьшающее растягивающие напряжения в опасном сечении.
Количество последующих операций определяется необходимостью перетяжки диаметра первой вытяжки d1 в требуемый диаметр детали dn. Технологические расчеты переходов производятся по коэффициентам вытяжки, не зависящим от размеров фланца mn = dn / dn-1. Величина этих коэффициентов может быть взята равной коэффициентам вытяжки цилиндрических деталей без фланца (см. табл. 45). Однако для построения технологических переходов одного расчетного измерения диаметра вытяжки недостаточно.
Условие неизменности наружного размера фланца и недопустимости растягивающих напряжений на последующих операциях требует тщательного подсчета перераспределения металла по переходам.
Основой подсчета является постоянство объема или площади поверхности металла заготовки:
, где F1 - площадь поверхности металла, втягиваемого в матрицу на первой операции;
fПЛ - поверхность плоского фланца.
При многооперационной вытяжке деталей с фланцем из относительно толстых заготовок [(S/D)100 > 2)], у которых на последующих операциях вытяжки происходит небольшая посадка металла и утолщение фланца, расчетное количество металла, втягиваемого в матрицу на первой операции вытяжки, следует увеличить на 3-5%.
После установления коэффициентов вытяжки и определения количества операций находят последовательность изменения диаметров вытяжки, одновременно устанавливая постепенно уменьшающиеся радиусы закруглений.
Подсчет равномерного перераспределения металла, производимый на основе неизменности объема металла, сводится к определению высоты (глубины) вытяжки на каждом переходе (опёрации). При этом подсчет поверхности производится по средней линии толщины заготовки. Поверхность каждого перехода разбивают на элементы, имеющие геометрически простую форму поверхности, и подсчитывают их площади по формулам, приведенным в табл. 31.
Искомой величиной является высота (глубина) вытяжки, которую находят, приравнивая сумму площадей элементарных поверхностей площади поверхности заготовки. Однако эти подсчеты можно упростить. Определив диаметры вытяжек и выбрав радиусы закруглений, глубину вытяжки можно найти непосредственно по конечным формулам:
для n -й вытяжки: h1 = (D2 - d2ф) / (4dn) + 0,86rn1
, где h1, ..., hn - полная высота деталей (от дна до фланца).
Приравнивая площади поверхности по операциям F1, F2, можно выразить глубину последующей цилиндрической вытяжки через известную глубину предыдущей:
соответственно (кроме n = 1):
, где m1 и mn - коэффициента вытяж rи на соответствующих операциях.
Указанные формулы действительны для цилиндрической формы переходов при условии равенства радиусов закруглений у дна и фланца. В случае разной величины радиусов закруглений расчетные формулы приобретают следующий вид:
hn = (D2 - d2ф)/4dn - (rnф + rnд) [0,14((rnф - rnд)/dn) - 0,43].
Сумма площадей элементарных поверхностей может быть подсчитана по схеме, в которой высота h относится к цилиндрической части, а не к полной высоте вытяжки (см. табл. 31). Но в этом случае конечные расчетные формулы для определения h получаются более сложными.
Если же геометрическая форма вытяжки более сложная, например полусферическая, коническая, ступенчатая или иная, подсчет перераспределения металла производят по геометричееким формулам элементов поверхности или по правилу Гюль-дена.
Глубокая вытяжка деталей с небольшим фланцем (dФ/d = 1,1/1,4 при h/d > 1) производится обычным способом путем вытяжки на первой операции цилиндрической заготовки без фланца, перетяжки ее на последующих операциях с образованием конического фланца (в результате вытягивания металла из под конусного прижима) и правки его на плоскость.
Технологические расчеты при последовательной вытяжке в ленте
Технологические расчеты при последовательной вытяжке в ленте заключаются в выборе способа штамповки (однорядная или многорядная, с надрезкой ленты или в целой ленте), в определении числа вытяжных переходов и их диаметров, в распределении перетягиваемого металла по отдельным переходам и подсчете высоты вытяжки по переходам, в распределении по позициям штампа прочих переходов - калибровки, пробивки, обрезки и т.п. В результате расчетов получаем технологическую схему последовательной штамповки, в соответствии с которой разрабатывается конструкция штампа.
![]() Рис.113. Схема последующей вытяжки детали с широким фланцем |
Существуют два технологически различных способа последовательной вытяжки в ленте: вытяжка в целой ленте и вытяжка с надрезкой ленты или вырезкой промежутков (рис. 113).
Первый способ применяется при вытяжке мелких деталей из относительно толстого и пластичного материала при малой величине фланца:
, где dф - диаметр фланца; d - диаметр готовой детали.
Второй способ применяется при вытяжке деталей из относительно тонкого материала, а также деталей с широким фланцем:
Первый способ более экономичен по расходу материала, но применяется главным образом для многорядной вытяжки небольших цилиндрических деталей. Второй способ дает несколько большую величину отходов, но более универсален и применим для вытяжки деталей цилиндрической, конической, прямоугольной и сложной формы.
Размеры заготовок при вытяжке в ленте подсчитываются различно для случая вытяжки в ленте с надрезами и в целой ленте. И в том и в другом способе подсчет размеров заготовки и перераспределение материала по переходам следует производить весьма точно по средней толщине детали с учетом всех радиусов закруглений.
При вытяжке с надрезной ленты размеры заготовок определяют, как при вытяжке из штучных заготовок, исходя из равенства площадей поверхности заготовки и вытягиваемой детали и принимая, что средняя толщина стенок равна толщине исходной заготовки. В этом случае применяют формулы площадей элементов поверхности (см. табл. 31) или способ подсчета, основанный на правиле Гюльдена.
Приравнивая суммарную площадь поверхности детали поверхности круглой заготовки, находим ее диаметр по формуле:
При вытяжке в целой ленте определяют диаметр условной заготовки, учитывая коэффициент утонения материала, равный при однорядной вытяжке а = 0,96/0,98, а при многорядной вытяжке а = 0,92/0,95. Так как при вытяжке в целой ленте первая вытяжка делается несколько больших размеров, чем требуется для образования готовой детали, то диаметр условной заготовки берется больше расчетного на 8-10%.
На рис. 114 приведены наиболее распространенные тины раскроя и надрезов ленты.
| Расчетный диаметр заготовки, мм | Припуск при толщине ленты, мм | ||||||||||
| 0,2 | 0.3 | 0,5 | 0.6 | 03 | 1,0 | 1.2 | 1,5 | 2,0 | 23 | 3.0 | |
| До 10 | 1,2 | 1,0 | 1,2 | 1,5 | 1,8 | 2,0 | - | - | - | - | - |
| 10-30 | 1,2 | 1,2 | 1,5 | 1,8 | 2,0 | 2,2 | 2,5 | 3,0 | - | - | - |
| 30-60 | 1,2 | 1,5 | 1,8 | 2,0 | 2,2 | 2,5 | 2,8 | 3,0 | 3,5 | 4 | 5 |
| Св. 60 | - | - | 2,0 | 2,2 | 2,5 | 3,0 | 3,5 | 4,0 | 4^5 | 5 | 6 |
Рассмотрим определение ширины ленты для этих случаев, а также для вытяжки в целой лейте. Фактический размер заготовки берется больше расчетного на величину припуска b на кольцевой отход при вырезке:
Припуски на обрезку (на диаметр) приведены в табл. 55.
Фактическая ширина кольцевого отхода будет несколько больше расчетной вследствие растяжения материала при вытяжке.
Ширина ленты для трех типов раскроя (рис.114) определяется по следующим формулам:
для раскроя с вырезкой промежутков (рис. 114, б ):
для раскроя с вырезкой промежутков и наружной обрезкой (рис. 114, в ):
для однорядной вытяжки в целой ленте:
Здесь D - расчетный диаметр заготовки, мм;
b - припуск на обрезку, мм;
D3 - фактический диаметр заготовки.

Рис. 114. Наиболее распространенные типы раскроя и надрезов ленты
Остальные обозначения приведены на рис. 114.
Наиболее экономичным по расходу материалов и наиболее удобным в производстве является раскрой с вырезкой промежутков и наружной обрезкой (рис. 114, в). Шаг подачи для вытяжки с надрезом ленты Н = D3 + n, а для вытяжки в целой ленте Н = DУ.
Величина перемычек при последовательной вытяжке в ленте приведена в табл. 56.
При применении последовательно-вытяжных штампов с боковыми шаговыми ножами ширина ленты соответственно увеличивается на двойную ширину кромки, срезаемой ножом (при одном шаговом ноже - на одну ширину).
Штампы с боковыми шаговыми ножами применяют в основном для ручной подачи заготовки. При последовательной вытяжке в ленте шаговые ножи не являются необходимыми, так как полученная на первых переходах в ленте сферическая выпуклость позволяет центрировать ее по гнездам матриц следующих переходов, пока лента не дойдет до постоянного или автоматического упора. Ширина срезаемой кромки должна быть несколько больше погрешности резки полос или допусков по ширине ленты. Ширина кромки, срезаемой шаговым ножом, приведена в табл. 57,
Таблица 56. Величина перемычек при последовательной вытяжке в ленте, мм
| Размеры заготовок D3, мм | Перемычки между деталями n | Величина боковых перемычек | |
| при вытяжке в целой ленте n1 | при вытяжке с надрезами или вырезам n2 | ||
| До 10 10-30 Свыше 30 | 1,0 - 1,5 1,5 - 2,0 2,0 - 2,5 | 1,0 - 1,5 1,5 - 2,0 2,0 - 2,5 | 1,5 - 2,0 2,0 - 2,5 2,5 - 3,0 |
Таблица 57. Ширина кромки, срезаемой боковым шаговым ножом
| Толщина материала, мм | Ширина срезаемой кромки, мм |
| До 0,5 | 0,6-1,0 |
| 0,5-1,2 | 1,0-1,5 |
| 1,5-2,5 | 1,5-2,0 |
| 2,5-3,5 | 2,0-2,5 |
После определения размеров заготовки и ширины ленты производят расчет числа и диаметров вытяжных переходов. Число вытяжных переходов при последовательной вытяжке в надрезанной ленте определяется по допустимой степени деформации, аналогично вытяжке деталей с фланцем, но с коррективами, учитывающими повышенную скорость вытяжки при работе на быстроходных прессах. Для определения допустимой величины первой вытяжки можно пользоваться условными коэффициентами первой вытяжки, предназначенными для расчета вытяжки деталей с фланцем.
Значения условных коэффициентов mУ = d1/DУ первой вытяжки применительно к последовательной вытяжке в ленте приведены в табл. 58.
Таблица 58. Значения условных коэффициентов первой вытяжки в ленте
| Относительный диаметр фланца dФ/d | Коэффициенты при относительной толщине заготовки (S/D) 100% | ||
| 2,0 - 1,5 | 1,5 - 1,0 | 1.0-0,5 | |
| До 1,1 1,5 2,0 2,5 | 0,50 0,56 0,62 0,68 | 0,53 0,58 0,64 0,70 | 0,55 0,60 0,66 0,73 |
Таблица 59. Наименьшие коэффициенты первой вытяжки для цилиндрических деталей с фланцем
| Отношение dФ/d1 | Коэффициенты при относительной толщине заготовки (S/D) 100% | ||
| 2,0-1,5 | 1,5-1,0 | 1,0-0,5 | |
| 1,1 | 0,51 | 0,53 | 0,55 |
| 1,5 | 0,47 | 0,49 | 0,50 |
| 2,0 | 0,42 | 0,43 | 0,44 |
| 2,5 | 0,37 | 0,38 | 0,38 |
Наряду с указанными коэффициентами приводим соответствующие им по степени деформации наименьшие значения коэффициентов первой вытяжки m1 = d1/D деталей с фланцем (табл. 59).
Уменьшение коэффициента первой вытяжки с увеличением диаметра фланца отнюдь не означает повышения степени деформации, а является результатом увеличения размеров фланца и уменьшения численного отношения d/D.
Технологические расчеты первой вытяжки в ленте можно также производить по допустимой глубине первой вытяжки (табл. 60).
При технологических расчетах первой вытяжки в ленте не всегда приходится пользоваться приведенными выше коэффициентами вытяжки. В ряде случаев достаточно руководствоваться следующими указаниями.
1.Первая вытяжка в надрезанной ленте производится до получения фланца требуемого размера, который остается неизменным на последующих переходах.
2.Большая часть поверхности заготовки должна быть втянута в матрицу первой вытяжки. Плоской частью заготовки на первой вытяжке в некоторых случаях может оставаться лишь припуск на обрезку и соединительные мостики с перемычками.
3.При вытяжке относительно толстых заготовок [(S/D)100 > 2] расчетное количество металла, втягиваемое в матрицу первой вытяжки, повышается на 3-5%.
4.Как правило, при последовательной вытяжке в ленте не следует стремиться к уменьшению числа вытяжных переходов, так как это не приводит к увеличению производительности. В большинстве случаев для большей надежности процесса последовательной штамповки целесообразно смягчить расчетные коэффициенты и ввести дополнительный вытяжной переход.
Таблица 60. Относительная глубина первой вытяжки (h/d1) в надрезанной ленте
| Отношение dФ/d1 | Глубина h/d1 при относительной толщине заготовки (S/D) 100% | ||
| 2,0 - 1,5 | 1,5 - 1,0 | 1,0 - 0.5 | |
| 1,1 | 0,75 | 0,65 | 0,56 |
| 1,5 | 0,58 | 0,50 | 0,45 |
| 2,0 | 0,42 | 0,36 | 0,32 |
| 2,5 | 0,28 | 0,25 | 0,22 |
Количество последующих переходов вытяжки определяется необходимостью перетяжки цилиндра диаметром d1 в деталь требуемого диаметра, без изменения наружного размера фланца. Технологические расчеты этих переходов производятся по коэффициентам вытяжки, не связанным с размером фланца, mn = dn/dn-1. Величина этих коэффициентов приведена в табл. 61,
Таблица 61. Коэффициенты последующих вытяжек деталей с фланцем в надрезанной ленте
| Коэффициенты | Значения коэффициентов при относительной толщине заготовки (S/D) 100% | ||
| 2,0 - 1,5 | 1,5 - 1,0 | 1,0 - 0,5 | |
| m2 | 0,73 | 0,75 | 0,76 |
| m3 | 0,7 5 | 0,78 | 0,79 |
| m4 | 0,78 | 0,80 | 0,82 |
| m5 | 0,80 | 0,82 | 0,84 |
Таблица 62. Допустимая относительная глубина h/d1 первой вытяжки в целой ленте
| Условное отношение dФ/d1 | Глубина h/d1 при относительной толщину заготовки (S/D) 100% | ||
| Свыше 2,0 | 2,0 - 1,0 | 1,0 - 0,5 | |
| 1,3 | 0,45 | 0,40 | 0,88 |
| 1,5 | 0,40 | 0,36 | 0,82 |
| 2,0 | 0,85 | 0,32 | 0,30 |
Диаметры вытяжек обычно подсчитывают по внутренним размерам переходов, иначе говоря, по рабочим размерам вытяжных пуансонов, чего нельзя делать при подсчете перераспределения металла по переходам.
При последовательной вытяжке в целой ленте условия вытяжки ухудшаются, так как возникает неравномерность деформации в продольном и поперечном направлениях, образование складок у края ленты и увеличение растягивающих напряжений в опасном сечении. Поэтому при последовательной вытяжке в целой ленте степень деформации по переходам уменьшают, применяя большую величину коэффициентов вытяжки.
В табл. 62 приведены приближенные значения допустимой глубины первой вытяжки в целой ленте, а в табл. 63 - приближенные коэффициенты последующих вытяжек в целой ленте для стали 10.
Условие неизменности наружного размера фланца при последовательной вытяжке в ленте требует тщательного подсчета равномерного перераспределения металла по переходам. Этот подсчет сводится к установлению постепенно уменьшающихся радиусов закруглений и определению высоты (глубины) вытяжки на каждом переходе (позиции). Так же, как и при вытяжке деталей с широким фланцем, основой подсчета является постоянство объема (или площади поверхности) металла заготовки по переходам.
Таблица 63. Коэффициенты последующих вытяжек в целой ленте
| Коэффициенты | Значения коэффициентов при относительной толщине заготовки (S/D) 100% | ||
| Свыше 2,0 | 2,0 - 1.0 | 1.0 - 0,5 | |
| m2 | 0,80 | 0,82 | 0,85 |
| m3 | 0,82 | 0,84 | 0,87 |
| m4 | 0,85 | 0,87 | 0,90 |
| m5 | 0,87 | 0,89 | 0,92 |
Площадь поверхности металла, втянутого на первой операции в матрицу, постепенно уменьшается и процессе вытяжки. Поверхность каждого перехода (по средней линии толщины заготовки) разбивают на элементы, имеющие геометрически простую форму поверхности. Затем подсчитывают их площади по формулам табл. 31. Неизвестной величиной остается высота (глубина) вытяжки, которую находят, приравнивая сумму площадей элементарных поверхностей площади поверхности заготовки. Схема подсчета остается той же, что и для вытяжки деталей с широким фланцем. Также, как и в первом случае, совсем необязательно производить эти геометрические подсчеты.
Зная диаметры вытяжек по переходам и выбрав радиусы закруглений, глубину вытяжки можно найти по конечным формулам:
для n-й вытяжки:
, а также по другим формулам, приведенным на стр. 133.
Здесь h1,..., hn - полная высота перехода (от дна до фланца).
Для сложной формы переходов (полусферическая, коническая, ступенчатая) подсчет перераспределения металла производят по правилу Гюлвдеиа.
При вытяжке деталей без фланца или с ничтожно малым фланцем отсутствует поверхность, втягиваемая на первой вытяжке и уменьшаемая на последующих вытяжных переходах. Однако правило последовательной вытяжки в ленте должно быть сохранено. При этом размеры заготовки увеличиваются на ширину технологического фланца, который на первой вытяжке втягивается в матрицу, а на операции обрезки удаляется в отход. Ширина ленты должна быть соответственно увеличена. Этот же подсчет применяется и в случае вытяжки в целой ленте, так как этим способом в основном изготовляются детали с весьма малым фланцем.
На первой вытяжке происходит небольшое растяжение металла и увеличение его поверхности, особенно при вытяжке в целой ленте. Этот излишне набранный металл расходуется в дальнейшем на утолщение фланца по переходам.
Высота вытяжных переходов зависит от степени уменьшения диаметра вытяжки и радиусов закруглений по переходам, причем их влияние взаимно противоположно: уменьшение диаметра увеличивает, а уменьшение радиусов закругления уменьшает высоту вытяжки (при том же количестве перераспределяемого материала и при условии неизменяемости диаметра фланца).
При уменьшении радиуса закругления пуансона высота вытяжки уменьшается на величину:
, где r1 и r2 - больший и меньший радиусы закругления пуансона.
При одновременном уменьшении одинаковых радиусов закругления у дна и фланца (без изменения диаметра) высота вытяжки уменьшится на Δh = 0,86(r1 - r2). Поэтому при калибровке детали, сопровождаемой резким уменьшением радиусов закруглений, высота вытяжки заметно уменьшается.
Высота вытяжного перехода при одновременном уменьшении и диаметра и радиусов закруглений определяется по формулам, приведенным на стр. 133 (перейти к формулам на этой странице).
При последовательной вытяжке в ленте радиусы закруглений матрицы берут меньшей величины, чем для обычной вытяжки (табл. 64).
Таблица 64. Радиусы закруглений пуансона и матрицы при последовательной вытяжке в ленте.
| Вытяжные переходы | Радиусы закруглений при относительной толщине заготовки (S/D) 100% | ||
| Свыше 2,0 | 2,0 - 1,0 | 1,0 - 0,5 | |
| Первая вытяжка | (3/4)S | (4/5)S | (5/6)S |
| Последующие вытяжки | (0,6 / 0,7)rn-1 | (0,65 / 0,7)rn-1 | (0,7 / 0,8)rn-1 |
Радиусы закруглений матрицы должны постепенно уменьшаться по переходам. Иногда при вытяжке мелких деталей применяют одинаковые радиусы закругление матрицы от второго до последнего вытяжного перехода с добавлением последующей калибровки. При калибровке практически достижимо уменьшение радиуса закругления от двух до пяти раз.

Рис. 115. К расчету последовательной вытяжки в лейте
Радиус закругления пуансона в случае вытяжки деталей средних размеров берется равным, а при вытяжке мелких деталей - несколько больше радиуса закругления матрицы.
Первая вытяжка в последовательных штампах должна производиться с предварительным прижимом заготовки к матрице, а на последующих вытяжках прижим необходим лишь в конце хода для правки фланца.
При последовательной вытяжке достаточно жестких деталей целесообразно, чтобы пружинный съемник производил заталкивание металла в матрицы, а следовательно, уменьшал растягивающие напряжения в опасном сечении. случае недостаточно жестких мнущихся деталей это недопустимо, вследствие чего ход съемника вниз ограничивают различными способами.
При вытяжке удлиненных деталей весьма малого диаметра на последних переходах пуансоны иногда не ставят, а производят вытяжку путем вдавливания заготовок и матрицу прижимом.
Пример. Рассчитать заготовку, количество переходов и их размеры для последовательной вытяжки детали, показанной на рис. 115, а. Материал - никелевая лента толщиной 0.2 мм.
Принимаем диаметральный припуск на обрезку фланца - 2 мм. Технологический диаметр фланца равен 10 мм.
Для подсчета размеров заготовки разбиваем поверхность детали на шесть геометрически простых поверхностей (F1, F2,..., Fn на рис. 115, б ) и подсчитываем площадь их поверхности по средней линии толщины материала:
F1 = 9,07 мм2; F2 = 22,43 мм2; F3 = 9,8 мм2; F4 = 15/16 мм2; F5 = 27,7 мм2; F6 = 58,09 мм2.
Общая площадь поверхности ∑F = 142,24 мм2. Диаметр заготовки D = 1,13√143 = 13,52 ≈ 13,6 мм.
Относительная толщица заготовки (S/D) 100 = 1.5.
Принимаем однорядный раскрой ленты с вырезкой промежутков. Ширина ленты 16 мм.
Рис. 116. Определение высоты переходов
Ввиду очень тонкого легко мнущегося материала заготовки необходимо обеспечить большую надежность процесса последовательной вытяжки в ленте. Для этого применяем смягченные (по сравнению с приведенными в таблицах) расчетные коэффициенты вытяжки и определяем наружные диаметры вытяжки.
Первая вытяжка: m1 = 0,59; d1 = 13,6 х 0,59 = 8 мм;
вторая вытяжка: m2 = 0,78; d2 = 8 х 0,78 = 6,2 мм;
третья вытяжка: m3 = 0,82; d3 = 6,2 х 0,82 = 5,1 мм;
четвертая вытяжка: (ступенчатая) m4 = 0,84; d4 = 5,1 х 0,84 = 4,3 мм.
Калибровка по диаметру и радиусам m5 = 0,84; d5 = 4,3 х 0,84 = 3,6 мм.
Радиусы закругления пуансона и матрицы на первых трех вытяжках принимаем равными R = 5S = 1 мм, на четвертой ступенчатой вытяжке R = 0,5 мм, а на калибровке R = 0,1 мм (размер по чертежу). В дальнейших подсчетах применяем радиусы закруглении до средней линии.
Производим расчет перераспределения металла по вытяжным переходам. Диаметр фланца до обрезки известен и равен 10 мм. Диаметры переходов вытяжки определены, радиусы закруглений выбраны. Искомой величиной является высота вытяжных переходов (рис. 116).
Подсчет производим по средней линии толщины металла по формулам, приведенным на стр. 183
Первая вытяжка: (D = 13,6 мм, d1 = 7,8 мм, r1 = 1,1 мм); h1 = 0,25(D2 - d2Ф)/d1 + 0,86r1 = 3,67 мм.
Высота по средней линии равна высоте головки пуансона.
Контрольная высота первого перехода вытяжки h1 + S = 3,9 мм.
Вторая вытяжка: (d2 = 7,0 мм, r2 = 1,1 мм); h2 = 0,25(D2 - d2ф)/d2 +0,86r2 = 4,5 мм.
Полная высота второго перехода вытяжки h2 + S = 4,7 мм.
Третья вытяжка d3 = 4,9 мм, r3 = 1,1 мм). Подсчеты дают значение h3 = 5,3 мм.
Полная высота третьего перехода вытяжки h3 + S = 5,5 мм.
Четвертая вытяжка (d4 = 4,1 мм, r4 = 0,6 мм, r = 1,1 мм). Высота ступенчатой вытяжки по этим формулам не может быть подсчитана. Здесь необходим подсчет по сумме площадей элементарных геометрических поверхностей одновременно с графическим построением. Полная высота вытяжки равна 5,8 мм.
Калибровка (d5 = 3,4 мм, r5 = 0,2 мм). Подсчет производятся аналогично предыдущему. Полная высота вытяжки равна 6,0 мм.
Пробивка дна по внутреннему диаметру у тонкостенных деталей, как показал опыт, сопровождается некоторым уменьшением высоты, в данном случае до размера 5,8 мм.
Последний переход - обрезка фланца диаметром 8 мм.

Рис. 117. Схема раскроя ленты и последовательность переходов
На рис. 117 приведена схема построения переходов и раскроя ленты, являющаяся заданием для проектирования штампа.

Рис. 118. Схема штампа для последовательной вытяжки
На рис. 118 показан разрез последовательного штампа для данной детали. Отличительные особенности конструкции штампа: механизм подъема ленты для ее подачи, отжимаемый во время рабочего хода вниз особыми пружинящими толкателями; раздельные прижимы-съемники на каждом вытяжном переходе; вставные вытяжные матрицы с подпружиненными штифтовыми выталкивателями.
В случае последовательной вытяжки в ленте более толстых и менее точных деталей схема технологических расчетов остается той же, но допустимо округление подсчётов высоты вытяжек до 0,5 мм, а для крупных деталей - до 1 мм.
Технологические расчеты при вытяжке низких прямоугольных коробчатых деталей
Технологические расчеты при вытяжке низких прямоугольных коробок, вытягиваемых в одну операцию, состоят из следующих этапов:
1)проверка возможности вытяжки коробки в одну операцию;
2)построение контура плоской заготовки и подсчет ее размеров;
3)проверка степени деформации в углах коробки по коэффициентам вытяжки.
Таблица 65. Коэффициенты угловой вытяжки m для низких квадратных и прямоугольных коробок, вытягиваемых за одну операцию (сталь 10)
| Отношение r/B | Коэффициенты при относительной толщине заготовки (S/D) 100% | ||
| 2,0 - 1,0 | 1,0 - 0,5 | 0,5 - 0,2 | |
| 0,40 0,30 0,20 0,10 0,05 | 0,40 - 0,42 0,36 - 0,38 0,33 - 0,34 0,30 0,29 | 0,42 - 0,45 0,38 - 0,40 0,34 - 0,36 0,32 0,30 | 0,44 - 0,48 0,40-0,42 0,36 - 0,38 0,33 0,32 |
Проверка возможности вытяжки коробки в одну операцию производится по табл. 40 в зависимости от соотношения геометрических параметров коробки (r/В и S/B ). Построение контура плоской заготовки для прямоугольных коробок было рассмотрено выше (стр. 107).
Как было установлено автором, способ расчета и построение формы заготовки определяется большей или меньшей возможностью вытеснения металла из угловых закруглений в боковые стенки коробки. На рис. 87 приведено разграничение области применения различных случаев вытяжки квадратных и прямоугольных коробок. Как показал производственный опыт, несоблюдение указанного различия способов расчета и области их использования приводит к ошибкам и неудачам.
В табл. 65 приведены приближенные значения коэффициентов вытяжки для низких квадратных и прямоугольных коробок, вытягиваемых в одну операцию. В случае вытяжки менее пластичных металлов (стали 20-25 и т.п.) коэффициенты вытяжки нужно брать по верхнему пределу, а при вытяжке более пластичных металлов (алюминий, сталь 08ВГ и т.п.) - по нижнему пределу. Величина В обозначает ширину заготовки. Большие значения относятся к вытяжке квадратных коробок, а меньшие - к вытяжке удлиненных прямоугольных коробок.
Выбор коэффициента вытяжки по табл. 65 позволит избежать применения недопустимой степени деформации или выявить необходимость калибровочной операции.
Технологические расчеты при многооперационной вытяжке высоких квадратных и прямоугольных коробок [121]
Разработка технологического процесса многооперационной вытяжки высоких коробчатых дет fлей cостоит из cледующих этапов:
1) определение формы и размеров плоской заготовки;
2) предварительный подсчет требуемого количества операций вытяжки и выбор коэффициентов натяжки;
3) выбор способа технологического расчета, соответствующего биометрическим параметрам коробки;
4) расчет формы и размеров вытяжных переходов, начиная с предпоследнего;
5) влияние других операций технологического процесса: обрезка, пробивка, термообработка и т.п.;
6) определение расчетных усилий по операциям.
Определение формы и размеров плоской заготовки производится по методам и формулам, приведенным на стр. 111. После этого вычерчивается контур заготовки и верхняя проекция вытягиваемой коробки, необходимые для дальнейших построений.
Предварительный подсчет требуемого количества операций вытяжки производится по общей величине деформации, необходимой для превращения плоской заготовки в прямоугольную коробку. Здесь пригоден метод подсчета, аналогичный методу, применяемому при расчетах многооперационной вытяжке цилиндрических деталей по коэффициентам вытяжки. эти коэффициенты представляют собой отношения длины примеров вытянутой детали и заготовки:
mn = dn/dn-1 = πdn/πdn-1
Таким образом, предельная величина коэффициентов вытяжки представляет собой отношение длины периметра наименьшей детали, которую можно вытянуть за одну операцию, к длине контура заготовки, или к длине периметра детали предыдущей операции. При вытяжке прямоугольных коробок вопрос усложняется тем, что геометрическая форма контура заготовки и коробчатой детали разные, следствием чего является неравномерное распределение деформаций по контуру, Однако результирующая усредненная деформация та же: длина контура заготовки уменьшается и становится равной длине периметра коровки.
Для предварительного определения количества операций вытяжки вполне допустимы некоторые упрощения подсчетов длины контура. Так, при подсчете длины контура коробчатых деталей в большинстве случаев можно не учитывать радиусы угловых закруглений (за исключением коробок с очень большими радиусами закруглений), а длину овального контура можно приравнять длине окружности, диаметр которой равен полусумме осей овала.
Для основных случаев многооперационной вытяжки коробчатых деталей общая деформация выражается следующими коэффициентами:
1) при вытяжке квадратной коробки (В X В) из круглой заготовки диаметром: D
2) при вытяжке прямоугольной коробки (А X В) из круглой заготовки:
3) при вытяжке прямоугольной коробки (А X В) из овальной заготовки (L X К):
Эти коэффициенты при условии учета неравномерности деформации сопоставимы с проверенными многолетней практикой коэффициентами вытяжки цилиндрических деталей.
Только последняя операция вытяжки квадратной коробки из цилиндрической заготовки, а также прямоугольной коробки из полуфабриката овальной формы производится при большем значении усредненного коэффициента вытяжки mСР = 0,90 / 0,95.
Количество операций, необходимых при многооперационной вытяжке коробчатых деталей, может быть определено по табл. 66 в зависимости от общего коэффициента вытяжки mоб и относительной толщины заготовки (S/D) 100 или S/(L + К) 200. После определения количества операций производят расчет операционных размеров, начиная с предпоследнего перехода, являющегося наиболее ответственным.
| Количество операций вытяжки | Коэффициенты витяжки mоб при относительной толщине (S/D) 100 или S/(L + К) 200% | |||
| 2,0 - 1,5 | 1,5 - 1.0 | 1,0-6,5 | 0,5-0,2 | |
| 2 | 0,40 - 0,45 | 0,43 - 0,48 | 0,45 - 0,50 | 0,47 - 0,53 |
| 3 | 0,32 - 0,39 | 0,34 - 0,42 | 0,36 - 0,44 | 0,38 - 0,46 |
| 4 | 0,25 - 0,30 | 0,27 - 0,32 | 0,28 - 0,34 | 0,30 - 0,36 |
| 5 | 0,20 - 0,24 | 0,22 - 0,26 | 0,24 - 0,27 | 0,25 - 0,29 |
При перетяжке цилиндра на квадрат или овала на прямоугольник степень деформации неравномерна по периметру изделия. Наименьшая деформация - в углах коробки, а наибольшая - в середине ее сторон. Поэтому приходится производить расчет n-1 -го перехода (последней вытяжки) по средней степени деформации по контуру, характеризуемой cредним коэффициентом вытяжки.
откуда
Это равнозначно нахождению стрелы дуги
В диаграмме (рис. 119) дано изменение bn в зависимости от относительного углового радиуса r/В и количества предшествовавших операций вытяжки, так как при увеличении их числа наклеп металла и допустимые коэффициенты вытяжки повышаются.
Расчетное значение коэффициента последней вытяжки составляет для квадратных коробок mСР = 0,90 / 0,93, для прямоугольных коробок mСР = 0,91 / 0,95, Способы технологического расчета многооперационной вытяжки квадратных и прямоугольных коробок различны и рассматриваются раздельно.
Многооперационная вытяжка высоких квадратных коробок. При многооперационной вытяжке квадратных коробок форма детали на промежуточных переходах в большинстве случаев представляет собой цилиндр, превращаемый в последней или предпоследней операции в квадратную коробку.

Рис. 119. Зависимость от r/В и числа предшествовавших вытяжек (1 - 4)
Предварительный подсчет количества операций производят по табл. 66, размеры предпоследней вытяжки находят приведенным ниже расчетом, а размеры про межуточных вытяжек определяют по коэффициентам вытяжки для цилиндрических деталей (см. табл. 45).

Рис. 120. Последовательность переходов при многооперационной вытяжке квадратных коробок
(при различном отношении S/В): а - при В < 50S; б - при В > 50S
Технологические расчеты и построение формы переходов различны для разной относительной толщины материала (S/D) 100, которая характеризует большую или меньшую устойчивость деформируемой заготовки.
На рис. 120 приведены два основных способа многооперационной вытяжки квадратных коробок с различной формой переходом, применяемые при разном отношении S/B.
Первый способ характеризуется тем, что заготовка на промежуточных переходах имеет цилиндрическую форму, превращаемую и последней операции в квадратную коробку. Вследствие технологической трудности и значительной неравномерности деформации и при перетяжке цилиндра на квадрат этот способ применяется дли вытяжки коробок при относительно большой толщине материала [(S/B) 100 ≥ 2] и относительно небольшом расстоянии между стенками bn ≤ 10S. При большем значении bn происходят потери устойчивости и складкообразование. В случае вытяжки квадратных коробок с большими радиусами угловых закруглений [r = (0,2/0,4) В] можно производить вытяжку и при меньшей относительной толщине, но при условии bn ≤ 10S. В случае вытяжки квадратных коробок малых размеров количество операций уменьшается и из круглой заготовки сразу вытягивается предпоследний цилиндрический переход, перетягиваемый на последней операции в квадратную форму.
Второй способ дает облегченную вытяжку на последней операции, так как n-1-й или даже n-2-й переходы (если он необходим) имеют форму квадрата с большими угловыми закруглениями и небольшим просветом между стенками. Этот способ применяется при меньшей относительной толщине материала (S/D) 100 < 2.
Для расчета угловых закруглений вводится расчетный размер ВУ < В
![]() Рис.121. Форма дна по переходам |
Расстояние между стенками на последней операции bn берется по диаграмме (рис. 119) в зависимости от r/Ву и количества операций вытяжки.
В указанных способах расчет переходов начинается с определения размеров и построения предпоследнего n-1-го перехода.
Для уменьшения деформации и облегчения процесса вытяжки на последней операции предпоследний переход должен иметь плоское дно по готовой детали и боковые скосы под углом 45° с большими радиусами закруглений (рис. 121).
Последовательность расчета и применяемые при многооперационной вытяжка высоких квадратных коробок формулы сведены в табл. 67. Приведенный расчет предназначен для операционной вытяжки на прессах двойного действия или на кривошипных прессах с буферной подушкой.
Вытяжку коробок на многопозиционных прессах-автоматах следует производить, по второму способу. При этом рекомендуется ввести дополнительный переход и снизить степень деформации.
Новый однооперационный способ вытяжки квадратных и прямоугольных коробок небольших размеров разработан С.А. Валиевым [22]. Сущность способа заключается в том, что круглая заготовка втягивается из-под прижима квадратным или прямоугольным пуансоном в матрицу комбинированного профиля. Верхняя часть отверстия матрицы представляет собой конус (или конический овал), а нижняя имеет квадратную или прямоугольную форму.
Таблица 67. Формулы и последовательность расчета при многооперационной вытяжке высоких квадратных коробок
| Определяемые величины | Формулы и способы расчета | |
| первый (рис. 120, а) | второй (рис.120, б) | |
| Относительная толщина | (S/B100 ≥ 2; B ≤ 50S) | (S/B100 < 2; B > 50S) |
| Диаметр заготовки при r = rУ = rД | DЗ = 1,13 √ B2 + 4B(H - 0,43r) - 1,72r(H + 0,33r) | |
| Угловой расчетный размер ВУ < B | - | BУ ≈ 50S |
| Расстояние между переходами | bn ≤ 10S | |
| Радиусы n-1-го перехода (предпоследнего) | Rbn-1 = 0,5B + bn | RУn-1 = 0,5BУ + bn |
| Ширина n-1-го перехода | - | Вn-1 = B + 2bn |
| Угловой зазор (включая S) | x = bn + 0,41r - 0,207В | x = bn + 0,41r - 0,207Ву |
| Радиусы n-2-го перехода | Rbn-2 = Rbn-1/m2 = 0,5D3 m1 | RУn-2 = RУn-1/mn-1 |
| Расстояние между переходами | - | bn-1 = RУn-2 - RУn-1 |
| Ширина n-2-го перехода (при n = 4) | - | Вn-2 = Bn-1 + 2bn-1 |
| Диаметр n-2-го перехода (при трех переходах) | - | Dn-2 = 2[RУn-1/mn-1 +0,7(B - BУ)] |
| Высота коробки | Н = (1,05 / 1,10)Н0 | (Н0 - высота по чертежу) |
| Высота n-1-го (предпоследнего) | Hn-1 = 0,88H | Hn-1 ≈ 0,88H |
| Высота первой вытяжки (n-2 или n-3-го переходов) | H1 = Hn-2 = 0,25 (D/m1 - d1) + 0,48r1 /d1 (d1 + 0,32r) | |
Примечания.
1. Размер bn применятся в зависимости oт отношения r/В (для первого способа) и r/Ву
(для второго способа) и от числа вытяжек (см. рис. 119).
2. Коэффициенты m1, m2, mn-1 принимается по таблице для втяжки цилиндрических деталей (см. табл. 45).
3. Допускается уточнение расчетных величин при графическом постороении переходов.
4. Приведенные способы вытяжки применимы и в случае большей относительной толщины материала по сравнению с указанной в таблице.

Рис. 122. Последовательность деформирования круглой заготовки и
получения квадратной коробки за один рабочий ход
На рис. 122 показана последовательность деформирования заготовки и получения квадратной коробки за один рабочий ход (латунь Л-62, S = 1 мм; сталь 08, S = 1,35 мм).
Вытяжка через коническую часть матрицы позволяет избежать неравномерности деформаций по контуру заготовки, после чего перетяжка глубокой конической чашки а квадратным или прямоугольным дном в коробчатую форму происходит более благоприятно вследствие повышенной устойчивости конического фланца. При этом значительно снижайся усилие вытяжки и напряжения в опасном сечении, а следовательно, становится возможной более глубокая вытяжка в одну операцию.

Рис. 123. Типы матриц при новом способе вытяжки прямоугольных коробок
На рис. 123 приведены профили вытяжных матриц, на рис. 123, а - матрица для вытяжки с прижимом, а на рис. 123, б - двухконусная матрица для вытяжки без прижима.
Расчетные элементы профиля матриц приведены в работе [22].
Многооперационная вытяжка высоких прямоугольных коробок. При многооперационной вьтяжке прямоугольных коробок могут быть два случая последовательного изменения формы переходов:
1) заготовка овальная первая и последующие вытяжки овальные, последняя - прямоугольная;
2) заготовка круглая; первая вытяжка цилиндрическая, следующие вытяжки (если они требуются) овальные, последняя - прямоугольная.
Первый случаи встречается при вытяжке прямоугольных коробок с отношением сторон А:В ≥ 1,2, второй - при отношении сторон А:В < 1,15, а также при весьма большой относительной высоте, при которой требуется более трех операций вытяжки.
В основу построения переходов кладется предложенный автором метод - расчет узкой стороны коробок как половины квадратной коробки. Технологические расчеты и построение формы переходов различны для разной относительной толщина заготовки.

Рис. 124. Последовательность переходов при многооперационной вытяжке прямоугольных коробок (при различном отношении S/В): а - при В < 50 S; б - при В > 50 S
На рис. 124 приведены два основных способа многооперационной вытяжки пря. моугольных коробок, применяемые при разном отношении S/B.
В первом способе вытяжки заготовка и промежуточные переходы имеют форму овала, образованного двумя полуокружностями и параллельными сторонами. При большой относительной высоте коробки или при малой разности размеров сторон заготовка берется круглой формы. Этот способ применяется лишь при относительно большой толщине материала [(S/В) 100 > 2)] и небольшом расстояний между стенками bn ≤ 10S. В случае вытяжки прямоугольных коробок с весьма большими радиусами угловых закруглений [r = (0,2/0,4)В] этот способ можно применять и при меньшей относительной толщине, но при условии bn < 10S.
Второй способ применяется при меньшей относительной толщине материала [(S/B) 100 < 2)]. Он дает облегченные условия вытяжки на последней операции, так как n-1-й, а иногда и n-2-й переходы имеют форму прямоугольника с большими угловыми закруглениями. С этой целью вводится расчетный размер ВУ - В. Величина bn берется по диаграмме рис. 119 в зависимости от отношения r/ВУ и количества операций вытяжки.
Размер аn определяется по коэффициенту пропорциональности переходов:
, где К и L - размеры овальной заготовки.
Этот способ прост и технологичен при изготовлении штампов. В случае вытяжки коробок небольших размеров количество необходимых операций уменьшается и из круглой заготовки сразу вытягивается предпоследний обычно цилиндрический переход, на последней операции перетягиваемый в прямоугольную коробку.
В приведенных способах расчет переходов начинается с определения размеров и построения предпоследнего n-1-го перехода. Последовательность расчета и применяемые при многооперационной вытяжке прямоугольных коробок формулы сведены в табл. 68. Приведенный расчет предназначен для пооперационной вытяжки на прессах двойного действия или на кривошипных прессах с буферной подушкой.
Таблица 68. Формулы и последовательность расчета при многооперационной вытяжке высоких прямоугольных коробок
| Определяемые величины | Формулы и способы расчета | |
| первый (рис. 124, а) | второй (рис. 124, б) | |
| Относительная величина | (S/B) 100 ≥ 2 | (S/B) 100 < 2 |
| Диаметр условной заготовки (r - rУ = rД) | DЗ = 1,13√B2 + 4B(Н - 0,43 r) - 1,72r(H + 0,33r) | |
| Длина заготовки | L = D3 + (A - B) | |
| Ширина заготовки | K = (DЗ (B - 2r)) / (A - 2r) + [ B + 2(H - 0,43r) ] (A - B) / (A - 2r) | |
| Радиусы заготовки | R = 0,5K | |
| Коэффициент пропорциональности переходов | x1 = (K - B) / (L - A) | |
| Расстояние между переходами | bn = an ≤ 10S | |
| Угловой расчетный размер BУ < В | - | BУ≈ 50S |
| Радиусы n-1-го перехода | Rbn-1 = 0,5B + bn | RУ-1 = 0,5BУ + bn |
| Угловой зазор (включая S) | х = bn + 0,41r - 0,207В | x = bn + 0,41r - 0,207BУ |
| Размеры n-1-го перехода | Bn-1 = 2Rbn-1 An-1 = A + 2bn | Bn-1 = B + 2an An-1 = A + 2bn |
| Радиус n-2-го перехода | Rbn-2 = Rbn-1/mn-1 | RУn-2 = RУn-1/mn-1 Rbn-2 = Bn-2/2 |
| Расстояние между переходами | bn-1 = (Rbn-2 - Rbn-1)/x1 an-1 = Rbn-2 - Rbn-1) |
bn-1 = RУn-2 - RУn-1 an-1 = xn-1 |
| Размеры n-2-го перехода | Bn-2 = 2Rbn-2 An-2 = A + 2(bn + bn-1) | Bn-2 = B + 2(an + an-1) An-2 = A + 2(bn + bn-1) |
| Высота коробки | H = (1,05 / 1,1)H0 | (H0 - высота по чертежу) |
| Высота переходов | Hn-1 ≈ 0,88H | Hn-2 ≈ 0,86Hn-1 |
Примечание. См. примечание к табл. 6.
Вытяжку коробок на многопозиционных прессах-автоматах рекомендуется производить по второму способу. При этом следует ввести дополнительный переход и снизить степень деформации.
Однооперационный способ вытяжки, предложенный С.А. Валиевым, распространяется также на вытяжку небольших прямоугольных коробок [23].
Сущность и преимущества способа однооперационной вытяжки те же, что и при вытяжке квадратных коробок, т.е. выравнивание неравномерности деформаций по контуру заготовки, в результате чего значительно снижаются напряжения в опасном сечении и становится возможной более глубокая вытяжка за один рабочий ход.

Рис. 125. Профиль матрицы для вытяжки с прижимом прямоугольных коробок за одну операцию
На рис. 125 приведен контур и профиль матрицы для вытяжки с прижимом небольших прямоугольных коробок из овальной (или круглой) заготовки. Другой тип двухконусной матрицы создан для вытяжки без прижима. Расчетные элементы профиля матриц приведены в работе [23]
Многооперационная вытяжка деталей овальной конфигурации. В этом случае заготовка имеет форму круга или уширенного овала и рассчитывается по формулам для высоких прямоугольных коробок.
Построение контура переходов производится с учетом различного вытеснения металла на участках контура различной кривизны. Это приводит к условию постоянства степени деформации (коэффициента вытяжки) по всему контуру на данном переходе.
![]() Рис.126. Последовательность переходов при вытяжке овальных коробок |
Иначе говоря, отношение радиуса кривизны контура n-го перехода к условному радиусу кривизны (на том же участке) n-1-го перехода (взятому из того же центра) должно быть одинаковым по всему контуру (рис. 126):
Вытяжка прямоугольных коробчатых деталей с фланцем [118]. При вытяжке прямоугольных коробок с фланцем также имеет место значительная неравномерность деформации по контуру коробки в угловых закруглениях наиболее, а на прямых участках менее интенсивная.
![]() Рис.127. Распределение напряжений во фланце коробки |
На рис. 127 приведены эпюры распределения напряжений во фланце коробки (в угловом закруглении и в средней части фланца). В результате вытеснения металла из угловой части фланца и некоторого укорочения прямых участков возникают значительные сжимающие напряжения, которые вызывают потерю устойчивости фланца и образование гофров. Поэтому на прямых участках вытяжки требуется достаточно надежный прижим заготовки (сильнее, чем в углах), а в случае вытяжки удлиненных коробок рекомендуется применение вытяжных ребер (порогов) на удлиненной стороне. В этом случае величина растягивающих напряжений увеличивается, а сжимающих - уменьшается. Кроме того, ребра увеличивают жесткость фланца и препятствуют образованию гофров.
Выше было указано, что прямоугольные коробки с фланцем обычно изготовляют за одну операцию вытяжки, и лишь при изготовлений коробок с очень малыми радиусами закруглений применяют дополнительную операцию калибровки.
Вопрос о предельной высоте вытяжки прямоугольных коробок с фланцем в настоящее время недостаточно изучен. В табл. 69 приведены приближенные значения наибольшей относительной высоты коробок с фланцем, основные на усредненных производственных данных. По мере накопления производственного опыта эти значения подлежат уточнению.
Таблица 69. Приближенные значения наибольшей относительной
высоты Н/В прямоугольных коробок с фланцем
| Материалы | Значения относительной высоты при относительной толщине заготовки (S/K) 100% | |||
| 1,5 - 2,0 | 1,0 - 1,5 | 0,5 - 1,0 | 02 - 0,5 | |
| Алюминий Стали 10-15 | 0,65 - 0,70 0,60 - 0,65 | 0,60 - 0,65 0,55 - 0,60 | 0,55 - 0,60 0,50 - 0,55 | 0,50 - 0,55 0,45 - 0,50 |
При вытяжке прямоугольных коробок с фланцем весьма большое значение (имеет величина радиусов угловых закруглений коробки, так как для малых радиусов резко увеличивается неравномерность деформаций и интенсивность напряжений в углах, которые в этом случае могут превысить прочность металла и привести к разрывам заготовки. Поэтому здесь обычно применяют увеличенные радиусы угловых закруглений (табл. 70).
Меньшие значения r соответствуют большей относительной толщине заготовки, и наоборот. Приведенные величины не являются предельными, поэтому некоторое уменьшение радиуса rУ допустимо, особенно при вытяжке с тормозными ребрами. При необходимости значительного уменьшения угловых радиусов по сравнению с приведенными (в два-три раза), они могут быть получены путем дополнительной операции калибровки - вытяжки.
Последующие операции вытяжки прямоугольных коробок с фланцем возможны лишь в весьма ограниченных пределах и не имеют ничего общего с рассмотренной ранее многооперационной вытяжкой коробок без фланца.
Таблица 70. Оптимальные радиусы угловых закруглений при
вытяжке коробок с фланцем (для стали 10)
| Относительная высота коробки Н/В | Относительное значение rУ при: | |
| rУ/В | rУ/Н | |
| 0,2 | 0,12 - 0,15 | 0,60 - 0,75 |
| 0,3 | 0,16 - 0,20 | 0,55 - 0,70 |
| 0,4 | 0,20 - 0,25 | 0,50 - 0,62 |
| 0,5 | 0,25 - 0,39 | 0,50 - 0,60 |
| 0,6 | 0,30 - 0,33 | 0,50 - 0,55 |
| 0,7 | 0,32 - 0,35 | 0,45 - 0,50 |
В большинстве случаев, последующие операции вытяжки прямоугольных коробок с фланцем не позволяют увеличить высоту коробки и применяются с целью:
1) уменьшения радиуса угловых закруглений при небольшом уменьшении ширины и длины коробки;
2) калибровки (уменьшения) радиусов закруглений у дна и фланца, а чаще - только последнего.
В данном случае должны соблюдаться следующие требования:
а) точный подсчет перераспределения металла по переходам, исходя из условия постоянства объема металла;
б) недопустимость деформации фланца и неизменность его наружных размеров;
в) возможно большая равномерность перемещения металла на плоскость фланца;
г) сохранение одинаковой высоты во всех частях коробки.
![]() Рис.128. Схема последующей вытяжки коробки с фланцем |
На рис. 128 приведена схема последующей вытяжки коробки с фланцем для уменьшения радиуса угловых закруглений. При этом ширина и длина коробки уменьшаются на одну и ту же величину В1 - В2 = А1 - А2, а ширина фланца увеличивается с каждой стороны на l2 - l1 = (В1 - В2)/2.
На прямых участках коробки, в случае сохранения тех же радиусов закруглений rД и rФ, никакого изменения высоты коробки Н не происходит (если не считать практически незначительного растяжения металла в закруглениях) - рис. 128,а.
Если одновременно с перетяжкой будет уменьшаться радиус закругления у дна и фланца (рис, 128, б ), то высота коробки уменьшится на величину:
, где r'ср = (r'Д - r'Ф)/2; r''ср = (r''Ф + r''Ф)/2.
![]() Рис.129. Схема построения вытяжного перехода |
Но в углах коробки цилиндрическая поверхность большего радиуса превращается в цилиндрическую поверхность меньшего радиуса, в результате чего здесь создается избыточный металл, который будет вытеснен в высоту и приведет к браку. Для устранения указанных дефектов надо уменьшить избыток металла в углах н строить вытяжной переход, как изображено на рис. 129, приблизив новый контур в углу к первоначальному. Прн этом деформация углового участка будет значительно снижена, так как длина дуги ab приблизительно равна длине дуги х'у'. Это равенство будет справедливо при соотношении R'y / Ry = α/90, откуда при α = 45° R'у = 0,5Rу, при α = 30° R'y = 0,33Rу.
Уменьшение радиусов угловых закруглений должно находиться в соответствии с допустимой деформацией контура, приближенно выражаемой значениями B1 - В2 = (0,1 / 0,15)В1 при относительных толщинах материала S = (0,015 / 0,03).
Необходимо указать, что последующая вытяжка возможна в основном для небольших и средних размеров коробок с фланцем. Для крупных и тем более для несимметричных коробок эта вытяжка не применима (кроме калибровки радиусов у фланца с целью увеличения полезной плоской части фланца).
При калибровке закругления у фланца общая высота коробки будет уменьшена на ΔН = 0,43 (r'Ф - r''Ф), что, например, при уменьшении радиуса с 8 до 3 мм приводит к снижению высоты коробки на 0,43 х 4 ≈ 2,1 мм. Уменьшение высоты коробки при калибровке закругления у фланца должно быть учтено на операции вытяжки.
Технология вытяжки деталей, являющихся телами вращения сложной формы
К телам вращения сложной формы относятся полые детали, имеющие ступенчатую, коническую, сферическую или параболическую форму. Вытяжка деталей указанной формы сложнее, чем вытяжка цилиндрических деталей. Особенность вытяжки этих деталей заключается в том, что значительная часть поверхности деформируемой заготовки остается не прижатой ни к пуансону, ни к матрице и легко образует выпучивания и гофры. Кроме того, давление пуансона вначале передается только в центре заготовки, вызывая местное утонение материала.
Вытяжка деталей ступенчатой формы. Ввиду большого разнообразия и сложности деталей ступенчатой формы трудно установить единый метод для построения технологических переходов вытяжки. Прежде всего должен быть решен вопрос о том, можно ли ступенчатую деталь вытянуть в одну операцию (с применением одного или нескольких самостоятельных буферов) или требуется несколько операций вытяжки. В данном случае может быть применен следующий приближенный методу. Надо определить коэффициент вытяжки по наименьшей ступени и сравнить его с допустимым коэффициентом по табл. 45. Так, для детали, изображенной на рис. 130, а, находим, что при толщине заготовки (S/D) 100 = 1,8 допустим коэффициент m = 0,5, а по расчету требуется m = 0,53, т. е. деталь может быть вытянута за одну операцию.
В случае вытяжки детали ступенчатой формы за несколько операций (рис. 130, б) их количество и последовательность определяются числом ступеней, если при этом коэффициенты вытяжки на каждой ступени не выходят из пределов, приведенных в табл. 45. Технологические расчеты вытяжки таких деталей основаны на строгом соблюдении правил перераспределения металла, аналогично вытяжке деталей с широким фланцем.
При вытяжке деталей ступенчатой формы применяют следующие правила.
1. Контур детали разбивают на внутренние и наружные элементы. Вначале производят вытяжку внутренних, а затем наружных элементов, В последнюю операцию штампуется фланец.
2. В ряде случаев вначале вытягивается предварительная конфигурация профиля детали, ограниченная прямыми и наклонными участками с большими закруглениями, а окончательная форма детали (с углами, выпуклостями и т.п.) штампуется в последнюю операцию.
3. За каждую операцию втягивается в матрицу столько металла, сколько требуется для его дальнейшей деформации в следующей операции. Однако лучше иметь небольшой избыток металла против расчетного (3-5%), так как при недостатке втянутого металла возможны обрывы.
При вытяжке ступенчатых деталей с широким фланцем должны быть соблюдены приведенные ранее правила, относящиеся к вытяжке деталей с широким фланцем.
Вытяжка деталей сферической, параболической и криволинейной форм. При вытяжке деталей сферической (полушаровой) формы коэффициент вытяжки постоянен и для любого диаметра равен m = 0,71. Несмотря на большую величину этого коэффициента по сравнению с коэффициентами для вытяжки цилиндрических деталей, вытяжка сферических деталей значительно труднее, так как большая часть поверхности заготовки остается неприжатой и легко образует выпучивания и гофры.

Рис. 130. Изделие ступенчатой формы (а) и последовательность вытяжки (б)
Для предотвращения образования складок необходимо применять матрицы с особыми вытяжными ребрами и создавать надежный прижим, обеспечивающий растяжение материала при вытяжке. Применение вытяжных ребер значительно увеличивает растягивающие напряжения в радиальном направлении и уменьшает напряжения и деформацию сжатия в тангенциальном направлении. Однако в результате этого значительно повышается сопротивление фланца деформированию и увеличиваются радиальные растягивающие напряжения в опасном сечении. Отсюда следует, что наиболее благоприятные условия при вытяжке в штампах с вытяжными ребрами будут достигнуты в случае применения металла повышенной прочности при достаточно высокой пластичности или сильно упрочняющегося металла. Желателен повышенный показатель анизотропии стальных заготовок (Rср > 1,2).
![]() Рис.131. Штамп для сферической вытяжки в матрице с вытяжными ребрами |
Предварительный отжиг заготовки или преждевременный межоперационный отжиг могут только ухудшить условия вытяжки в штампах с вытяжными ребрами вследствие снижения прочностных характеристик металла.
Недостаточная ясность в специфической особенности вытяжки в штампах с вытяжными ребрами нередко является причиной неожиданного брака на производстве, технологически неоправданных требований к качеству металла и случаев необоснованного забракования годного металла по "невысокой штампуемости".
В то время как коэффициент вытяжки для сферических деталей (полушаровой формы) постоянен и не определяет возможности вытяжки, относительная толщина заготовки S/D имеет решающее значение для качества вытяжки. Чем меньше значение S/D, тем скорее возникают складки и тем труднее процесс вытяжки.
![]() Рис.132. Трехслойная вытяжкадеталей пологой формы |
При (S/D) 100 > 3 вытяжка полусферы может быть произведена без прижима, формовкой в упор в глухом штампе. При (S/D) 100 > 0,5 необходима вытяжка с прижимом или вытяжка с выворачиванием. При (S/D) 100 < 0,5 применяется матрица с вытяжными ребрами (рис. 131) или вытяжка с выворачиванием.
В посудном производстве существует способ многослойной (в два-три слоя) вытяжки деталей полого криволинейной конфигурации типа мисок, тарелок, крышек и т.п. из материала толщиной 0,4-0,45 мм (рис. 132). Помимо трехкратного увеличения производительности этот способ улучшает качество изделий, так как трехслойная заготовка обладает большой устойчивостью и изделия получаются без морщин и гофров.
Способ многослойной вытяжки может найти применение в машиностроении при изготовлении деталей, у которых не требуется большая точность размеров, или там, где посадочные размеры получаются в последующих операциях.
Для штамповки тонкостенных сферических деталей больших размеров вместо вытяжки в штампах с вытяжными ребрами применяется способ вытяжки без прижима, но с двойным перегибом заготовки (рис. 133).

Рис. 133. Вытяжка с двойным перегибом заготовки; а - схема штампа; б - последовательность деформации (1-4)
Применяемый иногда способ изготовления деталей сферической и параболической формы путем вытяжки полуфабриката ступенчатой формы с последующей штамповкой плавного контура не может быть рекомендован вследствие большого количества дефектов (неравномерность толщины, морщину, неразглаженные следы уступов и т.п.). В ряде случаев для устранения дефектов приходится прибегать к доработке детали на давильных станках.
Более качественные результаты при изготовлении деталей параболистической формы дает метод обратной вытяжки (с выворачиванием), получивший применение при изготовлении автомобильных фар и т.п. В настоящее время этот метод вытесняется гидравлической штамповкой, позволяющей получать эти детали за одну - две операции.

Рис. 134. Способы вытяжки конических деталей:
а - вытяжка в матрице с вытяжными ребрами;
б - вытяжка широкого конуса в штампе с коническим прижимом
Вытяжка деталей конической формы. Процесс вытяжки конических деталей выполняется по-разному, в зависимости от относительной высоты и конусности их и относительной толщины материала.
В технологическом отношении конические детали можно разделить на три типа:
1) низкие - небольшой относительной высоты h/d = 0,1/0,25 с широким конусом и пологой образующей, имеющей угол с вертикалью в пределах 50-80°;
2) средние - с относительной высотой h/d = 0,3/0,7 средней конусности и с углом образующей от 25 до 45°;
3) высокие - большой относительной высоты h/d = 0,8 с узким конусом я крутой образующей, имеющей угол от 10 до 30°.
Вытяжка конических деталей так же, как и сферических, затруднена тем, что давление пуансона передается лишь небольшой поверхности в центре заготовки, вызывая значительное местное утонение, а иногда и обрывы материала. Кроме того, значительная часть поверхности заготовки остается вне прижима и легче образует гофры.
![]() Рис.135. Способы многооперационной вытяжки высоких конических деталей |
Вытяжка низких конических деталей обычно выполняется за одну операцию, но осложняется тем, что степень деформации заготовки невелика (за исключением мест, прилегающих к закругленным кромкам пуансона), вследствие чего вытяжка "распружинивает" и теряет свою форму. Поэтому надо увеличить давление прижима и создать в деформируемой заготовке значительные растягивающие напряжения, превышающие предел упругости материала, посредством применения матрицы с вытяжными ребрами (рис. 134, а).
На рис. 134, б показан другой способ вытяжки неглубоких, но широких конусов (ламповых рефлекторов), производимой в штампе с коническим прижимом. Вытяжка такого типа деталей хорошо осуществляется также гидравлической штамповкой.
Вытяжка конических деталей средней глубины в большинстве случаев производится за одну операцию. Лишь при малой относительной толщине заготовки, а также пря наличии фланца требуются две или три операции вытяжки.
При штамповке деталей из сравнительно толстого материала (S/D) 100 > 2,5, с небольшой разницей диаметральных размеров, вытяжка может происходить без прижима, аналогично вытяжке цилиндрических деталей. В данном случае необходима калибровка в конце рабочего хода глухим ударом.

Рис. 136. Способы вытяжки конического стаканчика из цилиндрического колпачка с выпуклым дном
При изготовлении тонкостенных конических деталей со значительной разницей диаметров дна и верха вначале вытягивают более простую округленную форму с поверхностью, равной поверхности готовой детали, а затем в калибровочном штампе получают окончательную форму.
Вытяжка высоких конических деталей происходит за несколько последовательных операций.
На рис. 135 показаны два различных способа многооперационной вытяжки высоких конических деталей: а - старый не рекомендуемый способ вытяжки ступенчатого профиля с последующей калибровкой; б - более целесообразный способ постепенного увеличения высоты конуса.
При втором способе вначале вытягивается полуфабрикат, поверхностью равный или несколько больший поверхности конической детали, причем размеры борта равны размерам бортов конуса. Затем за каждую последующую операцию вытягивается все увеличивающаяся часть конической поверхности.
Технологические расчеты переходов здесь те же, что и при вытяжке цилиндрических деталей с фланцем, только фланец в данном случае имеет коническую форму.
Количество операций определяется коэффициентами вытяжки:
| Относительная толщина заготовки (S/dn-1) 100 | 0,50 | 1,0 | 1,5 | 2,0 |
| Коэффициент вытяжки mn = dn/dn-1 | 0,85 | 0,8 | 0,75 | 0,7 |
Здесь dn и dn-1 - диаметры текущей и предыдущей вытяжек.
Наиболее важным является точный расчет перераспределения объема или поверхности металла по переходам при неизменных размерах фланца и нижней части конуса (рис. 135, б ).
Высокие конические детали в небольшой разницей диаметров рекомендуется изготовлять путем вытяжки усеченного конуса непосредственно из цилиндрической заготовки с выпуклым дном (рис. 186). Способ прямой вытяжки (рис. 136, а ) применяется при более толстом, а способ обратной вытяжки (рис. 166, а ) - при более тонком материале. Соотношение между верхним и нижним диаметрами детали на второй операции зависит от относительной толщины материала:
| Относительная толщина заготовки (S/d) 100 | 0,25 | 0,50 | 1,0 | 2,0 |
| Соотношение d'2/d''2 | 0,9 | 0,85 | 0,8 | 0,75 |
Здесь d1 - диаметр первой вытяжки.
При изготовлении конических деталей без дна иногда целесообразнее применить штамповку из шайбы (с выворачиванием на конус) или, при небольшой конусности, - обжимку отрезка трубы.
Технология вытяжки с утонением cтенок (протяжка и комбинированная вытяжка) [23]
В листовой холодной штамповке протяжка применяется как по cледующая операция вытяжки, производимая за счет утонения стенок в штампах с зазором, меньшим толщины металла. При этом происходит как утонение стенок, так и небольшое уменьшение наружного и внутреннего диаметров. Но так как основной деформацией является уменьшение толщины стенок, а не уменьшение внутреннего диаметра, то при технологических расчетах изменением последнего пренебрегают.
При вытяжке с утонением стенок количество операций определяют по допустимой степени деформации, которая находится по формуле:
, где Sn-1 и Sn - толщина стенки до и после протяжки, мм;
Fn-1 и Fn - площадь поперечного сечения до и после данной деформации, мм2.
Определение числа операций производится по формуле:
| Материал | Первая операция | Дальнейшие операции | ||
| Е | mут | Е | mут | |
| Сталь мягкая | 55-60 | 45-40 | 35-45 | 65-55 |
| Сталь средней твердости | 36-40 | 65-60 | 25-30 | 75-70 |
| Латунь | 60-70 | 40-30 | 50-60 | 50-40 |
| Алюминий | 60-65 | 40-35 | 40-50 | 60-50 |
При технологических расчетах вытяжки с утонением можно пользоваться коэффициентами вытяжки, которые определяются отношением mут = Sn /Sn-1.
Средние значения степени деформации при вытяжке с утонением стенок приведены в табл. 71.

Рис. 137. Процесс вытяжки с утонением: а - через одну матрицу б - через две матрицы
При изготовлении тонкостенных гильз целесообразно применять одновременную протяжку через две (рис. 137) или три матрицы с постепенным утонением стенок. Суммарная степень деформации при этом получается больше, чем при вытяжке через одну матрицу (Е = 65 / 70%) [70].
Процесс вытяжки с утонением через две матрицы может происходить двояко: последовательно через две матрицы (рис. 138, а) или одновременно в двух матрицах (рис. 138, б). И тот и другой способы позволяют получить одинаково высокую степень деформации. Применение того или другого способа зависит от соотношения между высотой колпачка и расстоянием между матрицами (h, рис. 137, б). На первой операции может происходить последовательная протяжка, а на второй или третьей операции - одновременная протяжка в двух матрицах.

Рис. 138. Два способа вытяжки с утонением через две матрици
На рис. 138 в верхней части схем приведены графики изменения величины усилия на протяжении рабочего хода пуансона. Непрерывный график предпочтительнее, так как в нем отсутствует падение усилия до нуля, сопровождаемое упругой деформацией пресса и штампа.
На рис. 139 приведен процесс последовательной вытяжки тонкостенной стальной трубчатой детали.
Примеры расчета размеров полуфабриката по переходам приведены в специальной литературе. Там же указана особенность расчета последовательности вытяжек для получения деталей с заданными механическими свойствами.
Вытяжка с утонением высоких деталей малого диаметра имеет ряд достоинств:
1) возможность осуществления более высокой степени деформации, чем при обычной вытяжке, благодаря чему требуется меньшее количество операций;

Рис. 139. Пример последовательности штамповки трубчатой детали
2) применение более простых и дешевых штампов, представляющих собой сменные узлы пуансона и матрицы;
3) возможность выполнения работы на прессах простого действия при полной автоматизации производственного процесса.
Недостатком вытяжки с утонением стенок является многооперационность процесса и необходимость применения промежуточных отжигов (рис. 139). Этого недостатка не имеет способ совмещенной (комбинированной) вытяжки, в котором одновременно сочетаются два вида деформации - значительное уменьшение диаметра вытяжки и уменьшение толщины стенок. В данном случае степень деформации определяется одновременным изменением диаметра и толщины стенки полуфабриката:
, где m - коэффициент вытяжки цилиндрических деталей (см. табл. 45);
mут - коэффициент утонения, равный для стали и латуни 0,5-0,7, для алюминия 0,6-0,75.
Благодаря сочетанию двух видов деформаций по ряду деталей удалось в два-три раза сократить количество операций вытяжки и создать типовой двухоперационный процесс вытяжки, в ряде случаев даже без промежуточного отжига.

Рис. 140. Схемы комбинированной вытяжки
На рис. 140 приведена схема комбинированной, если требуется, двухоперационной вытяжки. На рис. 140, а - комбинированная вытяжка с прижимом заготовки, на рис. 140, б - комбинированная вытяжка без прижима [22]. Этим способом можно изготовлять цилиндрические детали высотой h = (2/5)d.
Разработан и внедрен новый метод совмещенной реверсивной вытяжки с утонением стенки, одновременно сочетающий три вида деформации: вытяжку, утонение металла и изгиб на вытяжных кромках.
Этим методом изготовляются алюминиевые детали диаметром от 100 до 160 мм, высотой от 190 до 275 мм. Вытяжка производится на прессе двойного действия с большими размерами открытой высоты.
Процесс вытяжки идет в следующей последовательности:
первая операция - вытяжка в штампе с прижимом при зазоре z = S(m1 = 0,57 / 0,60);
вторая операция - совмещенная вытяжка с прижимом и утонением стенки (m2 = 0,75 / 0,80; mут = 0,9; mоб = 0,68 / 0,72);
третья операция - совмещенная реверсивная вытяжка с утонением стенки (m3 = 0,80 / 0,82; mут = 0,93; mоб = 0,70 / 0,76).
Последняя операция обеспечивает высокую чистоту наружной и внутренней поверхности детали, а также выравненную деформацию по толщине стенки.
Принципиально две первые операции вытяжки можно объединить в одну совмещено -реверсивную операцию, как указано на рис. 141.
Для штамповки высоких деталей малого диаметра получил применение прогрессивный метод холодного выдавливания, выполняемый за один-два хода пресса. Иногда он сочетается с операцией протяжки.
![]() Рис.141. Схема совмещенной реверсивной вытяжки |
Наиболее совершенным и наиболее экономически эффективным является способ штамповки цилиндрических колпачков из квадратной или шестигранной заготовки, с использованием процесса холодного выдавливания. Этот способ позволяет не только сократить количество операций вытяжки, но и осуществить штамповку без отходов металла, так как квадратные заготовки штампуются из полосы сразу по нескольку штук (3-6) при безотходном раскрое металла. Детали получаются с ровным краем, без фестонов.
![]() Рис.142. Схема штамповки цилиндрических колпачков из квадратной заготовки: а - заготовка; б - схема штамповки; в - изделие |
Штамповка происходит следующим образом (рис. 142). Квадратная заготовка поступает по лотку в фиксирующее гнездо матрицы. Пуансон сгибает углы заготовки и передвигает ее в верхнюю полость матрицы. Суженный конец пуансона формует донышко колпачка, утоняет стенки, выдавливая излишний по толщине металл во фланец. В то же время края пуансона нажимают на угловые выступы заготовки, постепенно укорачивая их и вытесняя металл к плоским краям фланца. Узкий конец пуансона продолжает обжимать стенки, втягивая металл в зазор между пуансоном и матрицей. Затем коническая часть пуансона прижимает утолщенный фланец к коническому уступу матрицы и производит прямое выдавливание металла в зазор между пуансоном и матрицей. В результате получается тонкостенный колпачок с утолщенным дном и коническим фланцем [17].
Последовательность деформаций квадратной заготовки и превращения ее в цилиндрический колпачок показана на рис. 143. Эта операция производится на горизонтальном прессе давлением 30 тс.
В следующей операции производится вытяжка с небольшим утонением материала, во время которой конический фланец получает цилиндрическую форму. Этим способом штампуют колпачки из латуни толщиной до 9 мм и из мягкой стали толщиной 2,5-4 мм. Это наиболее экономичный способ получении цилиндрических полых деталей, так какой дает 100-процентное использование полосового металла. Этот процесс успешно применяется на ряде заводов. Аналогично осуществляется изготовление колпачков из шестигранных заготовок, причем при их вырубке остаются небольшие боковые отходы полосы. В этом случае штамповку производят на прессах двойного действия.

Рис. 143. Последовательность деформаций квадратной заготовки
к превращение ее в цилиндрический колпачок
В первой операции производится вырубка и вытяжка зубчатых колпачков, во второй - дальнейшая вытяжка с выдавливанием и выравниванием торца.
Технология вытяжки крупногабаритных деталей сложной формы
Типовыми крупногабаритными деталями, получаемыми методом вытяжки тонколистового металла, являются так называемые облицовочные детали кабин и кузовов автомобилей, детали мотоциклов и мотороллеров и т.п. (рис. 144). Эти детали отличаются сложной и несимметричной пространственной формой, а технологический процесс их изготовления имеет некоторые специфические особенности.

Рис. 144. Штампованные детали автомобильного кузова:
а - крыло автомобиля; б - внутренняя передняя панель
При вытяжке деталей сложной и несимметричной пространственной формы величина деформации металла различна в разных местах заготовки.
Для того чтобы обеспечить получение детали сложной пространственной формы из плоской заготовки, необходимо создать разные условия течения металла по контуру заготовки: в одних участках облегчить перемещение металла из-под прижимного кольца, а в других участках затормозить его путем применения вытяжных или тормозных ребер и порогов на матрице или прижимном кольце. В большинстве случаев вытяжные штампы для крупных кузовных деталей снабжены одним, а в некоторых местах двумя и даже тремя рядами вытяжных ребер.
Сильный прижим и торможение заготовки увеличивают сопротивление течению металла из-под прижимного кольца и способствуют лучшему обтягиванию металла по форме пуансона и распространению деформации по всей площади заготовки. При этом происходит более полное использование пластичности металла в результате деформации средней части заготовки за счет уменьшения толщины последней.
В начале процесса вытяжки деталей сложной формы пуансон соприкасается с заготовкой лишь в отдельных местах, а большая часть заготовки находится вне контакта с рабочими частями штампа. Эта «свободная» поверхность заготовки, подвергаясь тангенциальному сжатию, легко образует гофры и волны при вытяжке. Тангенциальное сжатие можно уменьшить путем значительного увеличения растягивающих напряжений.
![]() Рис.145. Влияние вытяжных ребер на распределение напряжений во фланце (по А. Д. Томленову) |
На рис. 145 показано влияние вытяжных ребер на распределение напряжений во фланце. Сплошные линии соответствуют распределению напряжений без ребер, а штриховые - распределению напряжений в результате натяжения двумя ребрами. В результате напряжения тангенциального сжатия значительно уменьшены.
Применение вытяжных ребер препятствует возникновению гофров или складок также вследствие того, что ребро, образованное на фланце заготовки, обладает большей жесткостью и большей устойчивостью на продольный изгиб.
При вытяжке деталей сложной формы металл фланца не вытягивается полностью из под прижимного кольца, а остается до конца вытяжки и в дальнейшем удаляется обрезкой. Поэтому в данном случае необходимо предусматривать технологические
припуски значительных размеров, что приводит к нежелательному увеличению расхода металла.
Повышение растягивающих напряжений при вытяжке деталей сложной пространственной формы позволяет значительно уменьшить упругие деформации после вытяжки и в особенности после обрезки фланца.
Асимметричность и сложность формы деталей и неравномерность деформации по различным участкам заготовки не позволяют применить для оценки степени деформации коэффициенты вытяжки цилиндрических деталей.
Как правило, вытяжка деталей сложной пространственной формы производится за одну операцию из-за высоких требований к качеству поверхности и недопустимости появления на ней следов от предыдущей вытяжки.
Ввиду большого разнообразия формы облицовочных деталей автомобилей и их непрерывного изменения до настоящего времени не создано единого метода технологических расчетов. Однако в результате проведенных исследований вытяжки авто-кузовных деталей и на основании обобщения производственного опыта созданы соответствующие технологические рекомендации.
С целью типизации процессов штамповки кузовных деталей в ряде стран установлена технологическая классификация деталей сложной пространственной формы. В США Комитет по штампуемости разработал классификацию деталей по технологической сложности формообразования. Установлено семь технологических групп, иллюстрированных примерами деталей. Первая группа-детали, изготовляемые гибкой и отбортовкой, вторая - гибкой с неглубокой вытяжкой, третья, четвертая и пятая - глубокой вытяжкой деталей различного параметра, шестая и седьмая - вытяжкой с интенсивным складкообразованием.
Технологическая сложность деталей оценивается относительным удлинением в наиболее деформируемом участке заготовки. Эта оценка недостаточно правильна, так как при вытяжке деталей сложной формы возникает не одноосное, а двухосное растяжение. Как показал А.Д. Томленов, в этом случае создается повышенная устойчивость пластической деформации, осуществляемой при значительном уменьшении толщины материала. В результате критическая величина интенсивности деформаций, при которой происходит потеря устойчивости, в два раза выше, чем при одноосном растяжении.
Построение вытяжных переходов для крупных деталей сложной формы производится в следующей последовательности [145]:
1) определение положения детали в штампе;
2) технологическая корректировка формы детали в вытяжном переходе;
3) определение величины и расположения технологических припусков;
4) определение формы и расположения технологических вырезов - окон;
5) выбор формы прижимной поверхности вытяжного штампа;
6) установление количества и расположения тормозных ребер (порогов);
7) определение способа фиксации вытяжного перехода в обрезном штампе.
Положение детали в штампе должно быть оптимальным и должно удовлетворять следующим условиям: беспрепятственный вход пуансона в матрицу; получение возможно меньшей глубины вытяжки; увеличение площади соприкосновения пуансона с заготовкой, для чего необходимо, чтобы прижимная поверхность матрицы соответствовала нижней, поверхности пуансона; отсутствие перетягивания металла через вершину пуансона на другую сторону; равномерное распределение давления прижимного кольца на матрицу.
Форма вытяжного перехода должна по возможности полностью соответствовать форме готовой детали. В случае недостаточно технологичной формы детали в форме вытяжного перехода должны быть предусмотрены некоторые изменения, улучшающие условия формообразования. С этой целью отдельным участкам придается положение, наиболее благоприятное для вытяжки, а также производится смягчение резких переходов формы поверхности путем увеличения радиусов закругления (если это необходимо).
Величина и расположение технологических припусков зависят от требуемой степени торможения заготовки под прижимом, от формы и расположения прижимной поверхности, от условий выполнения последующей обрезки.

Рис. 146. Различные способы увеличения интенсивности торможения фланца заготовки под прижимом
На рис. 146 приведены различные способы повышения интенсивности торможения фланца заготовки под прижимом: а - увеличение усилия прижима; б - увеличение ширины фланца; в - применение вытяжных (тормозных) ребер; е - применение перетяжных порогов.
Первый способ наиболее распространен, но не всегда достигает цели; второй способ приводит к повышенному расходу металла; третий и четвертый способы наи более целесообразны.
Размер технологического припуска зависит от числа вытяжных ребер и примерно составляет при одном ребре около 30-40 мм на сторону, при двух рядах ребер - около 60-70 мм на сторону, при трех рядах ребер - около 80-100 мм на сторону. Однако размер технологического припуска в значительной степени зависит от положения линии обрезки и возможности размещения режущей секции обрезного штампа..В отдельных случаях чрезмерная сложность формы штампуемой детали приводит к необходимости значительного увеличения технологического припуска.
Применение технологических вырезов вызывается необходимостью облегчить образование местных углублений или выступов путем перетягивания металла от середины к краям заготовки. Обычно вырезка окон производится одновременно с местной; вытяжкой, после начала формообразования. Технологические вырезы или надрезы делают в местах заготовки, подлежащих удалению, и располагают около наиболее напряженных участков деформируемой заготовки. Следует остерегаться образования гофров и разрывов узких оконных проемов, для чего лучше делать не один, а два или три выреза.
Выбор формы прижимной поверхности вытяжного штампа позволяет уменьшить глубину вытяжки, снизить технологический припуск, создать плавный изгиб заготовки при прижиме ее к матрице, облегчить условия обтяжки заготовки по форме пуансона.
Прижимная поверхность штампа должна быть типа «развертывающихся» поверхностей [162]. Такая форма прижимной поверхности позволит наложить заготовку на матрицу без растяжения или сжатия ее средней части. Для правильного решения данного вопроса необходим большой производственный опыт; рекомендуется применение гипсовых моделей.
![]() Рис.147. Вытяжной штамп c регулируемыми прижимными стойками |
Количество и расположение тормозных ребер зависит от степени сложности формы вытягиваемой детали и необходимости создать участки с повышенной интенсивностью торможения фланца. Назначение и различные способы торможения были приведены выше.
Применение тормозных ребер при вытяжке деталей сложной формы позволяет значительно расширить интервал регулировки усилия прижима, в то время как в штампах без тормозных ребер допустимый интервал регулировки усилия прижима весьма мал и граничит или с возникновением морщин и складок, или с разрывом.
Форма и размеры тормозных ребер будут рассмотрены ниже. Разработан способ регулирования усилия прижима в различных местах прижимаемого фланца.
На рис. 147 показано устройство вытяжного штампа с регулируемыми по высоте стойками 1, с шаровыми головками и подпятниками, на которые устанавливается рамка из многослойной фанеры 2. Эта рамка является эластичным прижимом - складкодержателем, позволяющим изменять усилие прижима.
Недостатком жесткого прижима с тормозными ребрами является практически неизменяемая интенсивность торможения фланца на всем протяжении рабочего Хода. Однако целесообразно, чтобы к концу вытяжки торможение фланца было более интенсивным, чем в начале процесса. С этой целью применяют дополнительные устройства, позволяющие увеличить торможение к концу рабочего хода (рис. 148).
Способы фиксации вытяжных переходов в обрезном штампе влияют не только на величину технологического припуска, но и на форму вытяжного перехода, которая должна обеспечить надежную фиксацию на всех последующих переходах без затрат излишнего времени на установку и удаление штамповки
Существуют два способа фиксации вытяжных переходов сложной формы: фиксация по боковым стенкам или рельефным участкам переходов; фиксация по технологическим отверстиям, пробиваемым или прокалываемым при вытяжке. Первый Способ более удобен и более пригоден при автоматизации штамповки. Второй способ более точен, но требует большего времени и не удобен для автоматизации процессов.
С целью упрощения разработки формы вытяжных переходов для деталей сложной формы изготовляют гипсовую модель вытяжной матрицы. По модели отрабатывают все перечисленные выше технологические вопросы. После этого выполняется чертеж вытяжного перехода, на котором проставляют размеры и фиксируют форму технологических участков гипсовой модели. Этот способ обладает большой наглядностью и облегчает нахождение правильного решения технологических вопросов. Примеры построения технологических процессов и формы вытяжных переходов для конкретных автомобильных деталей приведены в специальной литературе.
Заслуживает внимания способ «Jewelform» штамповки и изготовления штампов из легкоплавкого сплава «джуэлит» с температурой плавления 70° С для деталей автомобильных радиаторов и др.
Помимо опыта, необходимого для разработки технологических процессов вытяжки деталей сложной формы, большое значение имеет научный анализ процесса вытяжки, позволяющий установить величину возникающих напряжений, избежать образования разрывов или иных дефектов и правильно выбрать металл с необходимыми механическими свойствами.

Рис. 148. Способы увеличения усилия прижима к концу рабочего хода:
а - при помощи клинового устройства;
б - при помощи пневматических цилиндров;
в - крепление опорных стержней
Для выбора металла с наилучшими механическими свойствами для вытяжки заданной детали необходимо исследовать напряженно-деформированное состояние, возникающее в процессе формообразования.
При вытяжке деталей сложной формы могут возникать три вида напряженного состояния:
1)напряженное состояние, близкое к одноосному растяжению;
2)двухосное растяжение или близкое к нему;
3)растяжение со сжатием.
Напряженное состояние, близкое к одноосному растяжению, оказывается самым нёблагоприятным, поскольку в этих условиях металл выдерживает меньшие критические деформации по сравнению с двухосным растяжением. В этом случае о пригодности металла можно судить по результатам испытаний на одноосное растяжение.
При двухосном растяжении по мере вытяжки образуется утонение металла. Критические деформации, при которых происходит разрыв металла, определяются по результатам гидростатического испытания на двухосное растяжение.
Как показали исследования, для успешного течения процесса необходимо, чтобы металл, имел достаточную пластичность, обладал хорошей способностью к упрочнению, Установлено, что анизотропия металла положительно влияет на штампуемость листовой стали. Желателен металл с высоким показателем анизотропии (Rср = 1,2 / 1,7).
Растяжение со сжатием является более благоприятным. Однако возникновение сжимающих напряжений приводит к образованию морщин. Таким образом, растяжение со сжатием практически не позволяет получать деформации большей величины, чем при двухосном растяжении.
В Институте машиноведения АН СССР разработана методика определения напряженно-деформированного состояния, возникающего при штамповке деталей сложной формы. По этой методике по величинам деформаций, измеренным на деталях с помощью координатной сетки, подсчитывают (или находят по таблицам) значения интенсивности деформаций и напряжений в опасных местах. Затем, задаваясь коэффициентом использования пластичности металла, вычисляют критические значения интенсивности напряжений и деформаций, по которым выбирается металл надлежащего качества или проверяется пригодность ранее выбранного металла.
Расчет напряженно-деформированного состояния ведется следующим способом [133; 135].
Перед штамповкой на плоскую заготовку методом шелкографии наносится сетка в виде окружностей диаметром 20 мм. После штамповки окружности принимают форму эллипсов или окружностей большего диаметра.
Измерив масштабной линейкой оси эллипсов L1 и L2, подсчитывают логарифмические деформации.
По логарифмическим деформациям определяется интенсивность деформаций:
В приведенной формуле ε3 из условия постоянства объема выражена через две другие деформации ε1 и ε2.
Напряженно-деформированное состояние характеризуется величиной m* 1:
, где σ1 и σ2 - главные нормальные напряжения.
При m* = 0 имеет место одноосное растяжение, при m* = 1 происходит равномерное двухосное растяжение, при 1 > m* > 0 - неравномерное двухосное растяжение, при m* = -1 - чистый сдвиг, а при m* < 0 - растяжение со сжатием. Пользуясь значением m*, определяют критическую интенсивность деформаций для данного напряженного состояния по формуле, выведенной из условия потери устойчивости:
, где n - показатель упрочнения, определяемый по результатам испытаний на одноосное или двухосное растяжение.
При одноосном растяжении при m* = 0:
При двухосном растяжении при m* = 1:
Отсюда следует, что при двухосном растяжении возможная наибольшая критическая деформация растяжения в два раза больше, чем при простом растяжении, а наибольшая логарифмическая деформация уменьшения толщины в четыре раза больше, чем при одноосном растяжении.
Для облегчения расчетов составлены вспомогательные таблицы, подсчитанные на электронно-вычислительной машине, по которым, зная величины осей эллипсов L1 и L2, находят соответствующие им логарифмические деформации ε1 и ε2, интенсивность деформаций εe, а также значения m* и εк без каких-либо вычислений.
Для определения интенсивности напряжений в данной точке σе по измеренным деформациям необходимо иметь график зависимости σе = σе (εе) того металла, из которого штамповалась деталь с нанесенной сеткой. График строится по результатам гидростатического испытания на двухосное растяжение.
Примечание. *1 В отличие от коэффициента вытяжки m эта величина в справочнике обозначена через m*.
Таким образом, результаты исследования позволяют количественно оценить существующий технологический процесс, выяснить причины брака при вытяжке, а также обоснованно классифицировать конструктивные формы облицовочных деталей.




















